Moin!
Ich hab ein dringendes Problem: 81er XT mit 12 V Umbau (wahrscheinlich Wunderlich), die ich heute morgen noch durchgecheckt habe (TÜV-Vollabnahme) und mir anschließend ein Kurzzeitkennzeichen zur Vorführung besorgt habe. Heute morgen sprang sie auf den ersten Kick an, lief ruhig, regelmäßig, alles ohne Probleme. Bei mir auf dem Hof einige kleine Runden gedreht, auch zum Bremsentesten. Alles tadelos. Ausgemacht, zur Zulassungsstelle gefahren, Kennzeichen besorgt, morgen früh sollte es zum TÜV gehen. Dann: Nochmals angekickt, sprang wiederum tadellos an, lief auch gut, ging dann aber aus und ließ sich nicht mehr anschmeißen, kein Zündfunke mehr.... Kerze gewechselt: Immer noch nichts. Neuer Stecker: Nichts... Etwas vom Kabel abgeknippst: Nichts. Was kann das sein? Ich bin Elektro-Grobmotoriker, kann also nur eingeschränkt tätig werden... Ich will doch zum TÜV! Shit!
Munterhalten!
aenz
Ich dreh ab: Kein Zündfunke mehr nach tadellosem Lauf
- aenz
- Gelegenheitsposter

- Beiträge: 30
- Registriert: Fr Feb 04, 2005 21:46
- Wohnort: Oldenburch
- Kontaktdaten:
- healer
- XT-Forums-Guru

- Beiträge: 2163
- Registriert: Mo Jun 02, 2003 12:23
- Wohnort: Scharbeutz/Ostsee
Moin, moin aenz,
ganz ruhig bleiben.
Du könntest beispielsweise mal den Killschalter abklemmen, der ist immer gut für sowas.
Dann schaust Du mal hinter dem Deckel der Zündung, schraubst die grosse Plastikschraube raus und schaust mal grob, ob sich überhaupt die Unterbrechernocke dreht, und wenn, wann der Kontakt öffnet. Manchmal ist es auch einfach nur ein Kabelbruch oder Massekontakt an einem der Zündkabel.
Gruss vom
healer
ganz ruhig bleiben.
Dann schaust Du mal hinter dem Deckel der Zündung, schraubst die grosse Plastikschraube raus und schaust mal grob, ob sich überhaupt die Unterbrechernocke dreht, und wenn, wann der Kontakt öffnet. Manchmal ist es auch einfach nur ein Kabelbruch oder Massekontakt an einem der Zündkabel.
Gruss vom
healer
- aenz
- Gelegenheitsposter

- Beiträge: 30
- Registriert: Fr Feb 04, 2005 21:46
- Wohnort: Oldenburch
- Kontaktdaten:
Moin!
healer: Killschalter war auch mein 3. oder 4. Gedanke, den habe ich abgeklemmt: Keine Änderung...
Den Zündungsdeckel habe ich ebenfalls abgebaut: Nocke dreht sich, Kontakt öffnet und schließt, Kontakte sehen gut aus.
Vielleicht schafffe ich es morgen früh noch, den Stromfluss an den Kabeln zu messen....
Munterhalten!
aenz
healer: Killschalter war auch mein 3. oder 4. Gedanke, den habe ich abgeklemmt: Keine Änderung...
Den Zündungsdeckel habe ich ebenfalls abgebaut: Nocke dreht sich, Kontakt öffnet und schließt, Kontakte sehen gut aus.
Vielleicht schafffe ich es morgen früh noch, den Stromfluss an den Kabeln zu messen....
Munterhalten!
aenz
- Frank M
- 5000+ Club

- Beiträge: 7125
- Registriert: So Jun 01, 2003 1:11
- Wohnort: Dettum
Moin aenz,
Zündschloss wäre auch noch eine Möglichkeit.
Um das ganze Kabelgewürm als Fehlerquelle probehalber mal ausschließen zu können, könntest du das kleine schwarze Kabel, dass aus dem Unterbrecherdeckel kommt, quer über den Motor läuft und irgendwo bei der Batterie eingesteckt ist dort abziehen.
Blockstecker von der Lima trennen und das schwarze Kabel mit z.B. einer angezwirbelten fliegenden Leitung direkt an den Anschluss des schwarz/weißen Kabels des Limablocksteckers anschließen.
Damit sollte sie anspringen wenn die Zündanlage i.O. ist. Ausmachen musst du sie dann zwar per Abwürgen oder Deko und sonst wird auch nüscht Elektrisches gehen, aber wenn sie so läuft, hast du mit Sicherheit irgendwo eine ungewollte Masseverbindung im Zündstromkreis.
Viel Erfolg
Gruß Frank
Zündschloss wäre auch noch eine Möglichkeit.
Um das ganze Kabelgewürm als Fehlerquelle probehalber mal ausschließen zu können, könntest du das kleine schwarze Kabel, dass aus dem Unterbrecherdeckel kommt, quer über den Motor läuft und irgendwo bei der Batterie eingesteckt ist dort abziehen.
Blockstecker von der Lima trennen und das schwarze Kabel mit z.B. einer angezwirbelten fliegenden Leitung direkt an den Anschluss des schwarz/weißen Kabels des Limablocksteckers anschließen.
Damit sollte sie anspringen wenn die Zündanlage i.O. ist. Ausmachen musst du sie dann zwar per Abwürgen oder Deko und sonst wird auch nüscht Elektrisches gehen, aber wenn sie so läuft, hast du mit Sicherheit irgendwo eine ungewollte Masseverbindung im Zündstromkreis.
Viel Erfolg
Gruß Frank
- aenz
- Gelegenheitsposter

- Beiträge: 30
- Registriert: Fr Feb 04, 2005 21:46
- Wohnort: Oldenburch
- Kontaktdaten:
Moin!
Kleines Problem, große Wirkung: Nachdem ich den Deckel der Zündungsanlage nochmals abgenommen habe, drehte ich den Motor bei eingeschalteter Zündung ohne Zündkerze durch. Nach den Tipps, die ich bekommen hatte, hätte da ein Funken sein müssen, der war aber nicht zu finden. Nochmalshingeschaut: Zwischen den Kontakten klebte ein kleiner Wassertropfen, der das ganze offenbar kurzschloss. Mit einem gefalteten Blatt den Tropfen weggewischt und nochmals gedreht: Funk!
Zündkerze wieder rein, Stecker drauf: One Kick only und sie lief! Nu erst mal zum TÜV, mal sehen, was der davon hält... Mannmannmann, dass einem be knapp 30° C ein Tröpfchen so viel Unbehagen bereiten kann, wer hätte das gedacht. Danke nochmals an alle für die hilfreichen Tipps!
Munterhalten!
aenz
Kleines Problem, große Wirkung: Nachdem ich den Deckel der Zündungsanlage nochmals abgenommen habe, drehte ich den Motor bei eingeschalteter Zündung ohne Zündkerze durch. Nach den Tipps, die ich bekommen hatte, hätte da ein Funken sein müssen, der war aber nicht zu finden. Nochmalshingeschaut: Zwischen den Kontakten klebte ein kleiner Wassertropfen, der das ganze offenbar kurzschloss. Mit einem gefalteten Blatt den Tropfen weggewischt und nochmals gedreht: Funk!
Zündkerze wieder rein, Stecker drauf: One Kick only und sie lief! Nu erst mal zum TÜV, mal sehen, was der davon hält... Mannmannmann, dass einem be knapp 30° C ein Tröpfchen so viel Unbehagen bereiten kann, wer hätte das gedacht. Danke nochmals an alle für die hilfreichen Tipps!
Munterhalten!
aenz
- Pivovar
- XT500-Online-Berater

- Beiträge: 957
- Registriert: Mi Mai 26, 2004 12:08
- Wohnort: Wöllstein (aAdW)
- Kontaktdaten:
- Woitas
- Fleißiger Poster

- Beiträge: 106
- Registriert: Mi Jun 08, 2005 9:01
- Wohnort: Wuppertal
XT BUG
Dieser kleine Fehler hat mich auch schon bis zur weißglut treten lassen.
Wasser hat da nix zu suchen.
Wenn die XT mal nicht anspring schau ich da als erstes nach!!
Gruß
Michael
Wasser hat da nix zu suchen.
Wenn die XT mal nicht anspring schau ich da als erstes nach!!
Gruß
Michael
Meine Norton Comando habe ich 2012 verkauft, XT 500 fahre ich immer noch!!!!
- aenz
- Gelegenheitsposter

- Beiträge: 30
- Registriert: Fr Feb 04, 2005 21:46
- Wohnort: Oldenburch
- Kontaktdaten:
- aenz
- Gelegenheitsposter

- Beiträge: 30
- Registriert: Fr Feb 04, 2005 21:46
- Wohnort: Oldenburch
- Kontaktdaten:
Moin!
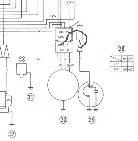
Hat jemand vielleicht einen Schalt- oder Anbauplan von der 12 V Wunderlichgeschichte rumliegen, die er oder sie mir in Kopie schicken kann?
Irgendwie scheint da was vermurkst worden zu sein, mal abgesehen vom Kupferwurm, der sich immer mehr offenbart. Per Mail wäre gut, oder halt per Post, Porto übernehme ich selbstverständlich.
Munterhalten!
aenz
Hat jemand vielleicht einen Schalt- oder Anbauplan von der 12 V Wunderlichgeschichte rumliegen, die er oder sie mir in Kopie schicken kann?
Irgendwie scheint da was vermurkst worden zu sein, mal abgesehen vom Kupferwurm, der sich immer mehr offenbart. Per Mail wäre gut, oder halt per Post, Porto übernehme ich selbstverständlich.
Munterhalten!
aenz
- aenz
- Gelegenheitsposter

- Beiträge: 30
- Registriert: Fr Feb 04, 2005 21:46
- Wohnort: Oldenburch
- Kontaktdaten:
Moin!
Epilog: Heute hatte ich nach 3 Tagen Dauerregen endlich mal wieder Gelegenheit, mich der XT zu widmen. In der Zwischenzeit habe ich den Kabelbaum durchgemessen und keinen Bruch oder ähnliches feststellen können, trotzdem gab es nach wie vor keinen Zündfunken mehr. Die Zündspule (viel zu hoher Widerstand) wurde gegen eine neue getauscht, ebenso der Kondensator. Das Zündschloss wurde vom Wasser befreit, die Kontakte gereinigt und mit Kontaktspray versehen. Alles wieder zusammengebaut, bis auf den Deckel des Kontaktgehäuses, den ich zwecks Zündungseinstellung offen gelassen habe. Einige Male getreten: Feiner satter Zündfunken an der Kerze, wunderbar. Zündung ausgeschaltet, wieder eingeschaltet: kein Neutrallämpchen mehr, da der Anschluss vom Pluspol die letzten Tage doch wohl zu viel Regen abbekommen hatte. Also den auch noch schön blank gemacht, Zündung ein, Neutrallämpchen wieder da. 3 mal gekickt und die Kiste lief, klasse! Dann geguckt, ob die Linksbewegung des Lenkers immer noch den Motor ausgehen lässt (Vorher ging sie immer aus, wenn der Lenker ganz nach links eingeschlagen wurde, daher auch die Vermutung eines Kabelbruchs, der aber nicht aufzufinden war): Lenker langsam nach links bewegt und kurz vorm Anschlag ging die Drehzahl langsam runter, bis der Motor beim kompletten Einschlagen ganz ausging, Stoffwechselendprodukt! Dann der Geistesblitz: Vielleicht ein zu stramm verlegter Dekozug, also den beim Lenkereinschlagen beobachtet. Und siehe da, kurz vorm Anschlag begann der Dekozug seine Arbeit wie von Geisterhand betätigt zu verrichten...
Soviel zum Thema Kabelbruch, Kupferwurm und so weiter...
Den Zug anständig neu verlegt, nochmals angekickt, Lenker eingeschlagen, Motor lief weiter und auch dieses Problem war behoben, hurra...
Die Zündung eingestellt, nochmals angelassen, alles wunderbar. Motor aus, Kontaktdeckel drauf, gekickt und: nichts! Wieder kein Zündfunke...
Also konnte das Problem nur beim Kontaktgehäuse zu suchen sein und ich hatte auch schon eine vage Vermutung...
Deckel auf und das Kabel auf Bruchstellen usw. kontrolliert. Und siehe da: Durch den Wechsel der Zündkontakte und des Kondensators habe ich wahrscheinlich die Kabelage unachtsam verlegt und beim Anschrauben des Deckel ist ein Stück vom Kabel zwischen Deckel und Gehäuse gekommen, wurde gequetscht und die Isolierung beschädigt, so dass sich da tatsächlich ein Masseschluss einstellte. Mann, wie kann man nur so doof sein... Also neu isoliert, das Kabel voooorsichtig eingelegt, den Deckel drauf und alles war gut. How time ist flying when you're having fun! Endlich rennt die Kiste, so wie sie es soll! Der Sommer - schon halb vorbei - kann kommen!
Frank: Besten Dank für die Anbauanleitung, die hat wirklich geholfen.
Munterhalten!
aenz
Epilog: Heute hatte ich nach 3 Tagen Dauerregen endlich mal wieder Gelegenheit, mich der XT zu widmen. In der Zwischenzeit habe ich den Kabelbaum durchgemessen und keinen Bruch oder ähnliches feststellen können, trotzdem gab es nach wie vor keinen Zündfunken mehr. Die Zündspule (viel zu hoher Widerstand) wurde gegen eine neue getauscht, ebenso der Kondensator. Das Zündschloss wurde vom Wasser befreit, die Kontakte gereinigt und mit Kontaktspray versehen. Alles wieder zusammengebaut, bis auf den Deckel des Kontaktgehäuses, den ich zwecks Zündungseinstellung offen gelassen habe. Einige Male getreten: Feiner satter Zündfunken an der Kerze, wunderbar. Zündung ausgeschaltet, wieder eingeschaltet: kein Neutrallämpchen mehr, da der Anschluss vom Pluspol die letzten Tage doch wohl zu viel Regen abbekommen hatte. Also den auch noch schön blank gemacht, Zündung ein, Neutrallämpchen wieder da. 3 mal gekickt und die Kiste lief, klasse! Dann geguckt, ob die Linksbewegung des Lenkers immer noch den Motor ausgehen lässt (Vorher ging sie immer aus, wenn der Lenker ganz nach links eingeschlagen wurde, daher auch die Vermutung eines Kabelbruchs, der aber nicht aufzufinden war): Lenker langsam nach links bewegt und kurz vorm Anschlag ging die Drehzahl langsam runter, bis der Motor beim kompletten Einschlagen ganz ausging, Stoffwechselendprodukt! Dann der Geistesblitz: Vielleicht ein zu stramm verlegter Dekozug, also den beim Lenkereinschlagen beobachtet. Und siehe da, kurz vorm Anschlag begann der Dekozug seine Arbeit wie von Geisterhand betätigt zu verrichten...
Den Zug anständig neu verlegt, nochmals angekickt, Lenker eingeschlagen, Motor lief weiter und auch dieses Problem war behoben, hurra...
Die Zündung eingestellt, nochmals angelassen, alles wunderbar. Motor aus, Kontaktdeckel drauf, gekickt und: nichts! Wieder kein Zündfunke...
Also konnte das Problem nur beim Kontaktgehäuse zu suchen sein und ich hatte auch schon eine vage Vermutung...
Deckel auf und das Kabel auf Bruchstellen usw. kontrolliert. Und siehe da: Durch den Wechsel der Zündkontakte und des Kondensators habe ich wahrscheinlich die Kabelage unachtsam verlegt und beim Anschrauben des Deckel ist ein Stück vom Kabel zwischen Deckel und Gehäuse gekommen, wurde gequetscht und die Isolierung beschädigt, so dass sich da tatsächlich ein Masseschluss einstellte. Mann, wie kann man nur so doof sein... Also neu isoliert, das Kabel voooorsichtig eingelegt, den Deckel drauf und alles war gut. How time ist flying when you're having fun! Endlich rennt die Kiste, so wie sie es soll! Der Sommer - schon halb vorbei - kann kommen!
Frank: Besten Dank für die Anbauanleitung, die hat wirklich geholfen.
Munterhalten!
aenz
- atisgrub
- XT-Forums-Guru

- Beiträge: 1101
- Registriert: Mi Aug 18, 2004 16:56
- Wohnort: Weisskirchen OÖ/Österreich
Wer ist online?
Mitglieder in diesem Forum: Google [Bot] und 3 Gäste