Nachdem DAS hier
https://forum.xt500.org/viewtopic.php?f ... 4&start=15
in Richtung Zündung abgebogen ist und ich es jetzt nicht noch mehr Themenfremd zumüllen wollte habe ich doch einen neuen Fred gestartet.
Die Idee gärt schon länger Zeit und ist vermutlich auch eher akademisch weil praktisch viel gebastel:
Ist es denkbar die Zündung der XT 250 auf die XT500 zu übertragen? Irgendwie?
Hintergrund ist der das meine 250er einfach seit Jahrzehnten wie ein Uhrwerk läuft. Da ist einfach nix...
Die Lichtmaschinen ähneln sich ja sehr. Röbi geht da auch. Der Unterschied ist die elektronische Erzeugung des Zündimpulses.
Naive Lösung: SR Pickup im oberen Limaeck montieren und irgendwie einen Magneten auf den Rotor.
Oder sowas wie bei der im oben verlinkten Fred erwähnten Lösung von Elektronik-Sachse mit Magnet und Pickup im Kontaktdeckel.
Ich weiß - Zündkurve ist dann auch noch nicht...
Gruß
Woddel
Zündung der XT 250 in XT500
- woddel
- XT-Forums-Guru

- Beiträge: 2187
- Registriert: Do Jan 12, 2017 13:30
- Wohnort: Nämberch
- motorang
- Fleißiger Forums-Guru

- Beiträge: 4890
- Registriert: Mo Aug 25, 2003 16:45
- Wohnort: Graz, Österreich
- Kontaktdaten:
Re: Zündung der XT 250 in XT500
Ich kenn die Zündung der 250er nicht, wie funktioniert die?
Ein Viertakter braucht halt eine Zündverstellung und einen fixen Anfangs-Zündzeitpunkt zum kicken, da wird es mit Eigenbau anspruchsvoll.
Gryße!
Andreas, der motorang
Ein Viertakter braucht halt eine Zündverstellung und einen fixen Anfangs-Zündzeitpunkt zum kicken, da wird es mit Eigenbau anspruchsvoll.
Gryße!
Andreas, der motorang
Die häufigsten Ursachen für Vergaserprobleme finden sich im Zündungsbereich * Bucheli-Projekt
- Hiha
- 5000+ Club

- Beiträge: 6440
- Registriert: Mo Jun 02, 2003 6:23
- Wohnort: Neubiberg b. München
Re: Zündung der XT 250 in XT500
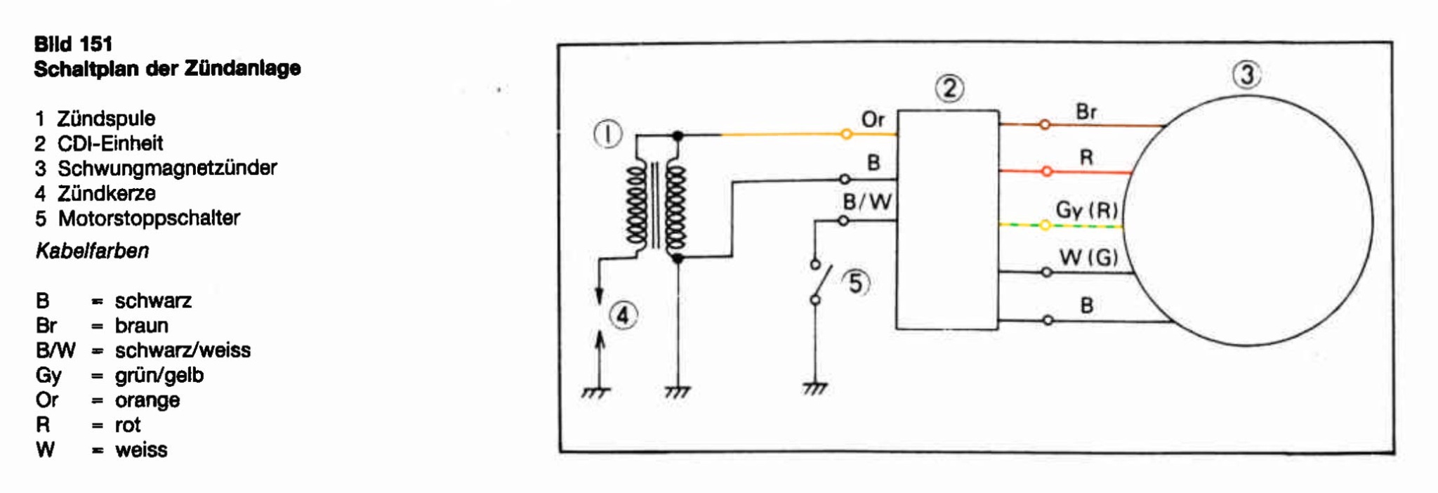
Jo, zeig mal Fotos vom Rotor, der CDI-Spannungserzeugungsspule, der Pickupgeschichte, also auch eventuelle Noppen am Rotor usw.
Gruß
Hans
Gruß
Hans
- woddel
- XT-Forums-Guru

- Beiträge: 2187
- Registriert: Do Jan 12, 2017 13:30
- Wohnort: Nämberch
Re: Zündung der XT 250 in XT500
Hier ganz schnell aus einer Bucheli-Kopie geklaute Ansichten:
Vielleicht schaffe ich es ja heute noch mal den Deckel runter zu nehmen...
Gruß
Woddel
Vielleicht schaffe ich es ja heute noch mal den Deckel runter zu nehmen...
Gruß
Woddel

- Hiha
- 5000+ Club

- Beiträge: 6440
- Registriert: Mo Jun 02, 2003 6:23
- Wohnort: Neubiberg b. München
Re: Zündung der XT 250 in XT500
Ah ja. Vierpoliger Magnet wie bei der 500er, Ladespule für die CDI ist die Helle, Pickup ist extern und nur Einer, und laut Skizze ist die "Noppe" ziemlich lang, für den Verstellbereich.
Vermutlich ist das Ende der Noppe der Triggerpunkt für "kurz vor OT" bei niedrigen Drehzahlen bis 0/min. Wenn man so ein Blech auf den XT500-Schwungmagneten montiert kriegt, (danach auswuchten) und die originale Magnetzündungs-Erregerspule durch eine identische (dünndrähtige?) Wicklung der 250er ersetzt, dann sollte das eigentlich gehn. Immer vorausgesetzt, man kriegt den Pickup irgendwie unter...
Edit meint grad: Da man auf der Ladespule viel mehr Platz hat wie bei der XT600, darf der Draht vergleichsweise dick sein. Vielleicht schaut ja ein Schwanzl raus, damit mans ausmessen kann...
Gruß
Hans
Vermutlich ist das Ende der Noppe der Triggerpunkt für "kurz vor OT" bei niedrigen Drehzahlen bis 0/min. Wenn man so ein Blech auf den XT500-Schwungmagneten montiert kriegt, (danach auswuchten) und die originale Magnetzündungs-Erregerspule durch eine identische (dünndrähtige?) Wicklung der 250er ersetzt, dann sollte das eigentlich gehn. Immer vorausgesetzt, man kriegt den Pickup irgendwie unter...
Edit meint grad: Da man auf der Ladespule viel mehr Platz hat wie bei der XT600, darf der Draht vergleichsweise dick sein. Vielleicht schaut ja ein Schwanzl raus, damit mans ausmessen kann...
Gruß
Hans
- woddel
- XT-Forums-Guru

- Beiträge: 2187
- Registriert: Do Jan 12, 2017 13:30
- Wohnort: Nämberch
Re: Zündung der XT 250 in XT500
Ah! Die "Noppe" ist mitverantwortlich für den Verstellbereich?
Ich habe vermutet das dieses im Wesentlichen in der CDI passiert.
Ich weiß auch nicht ob die 250er jeder Umdrehung zünden.
Man kann es wohl annehmen.
Wenn dem so ist wäre doch auch eine Pickup-installation im Kontaktdeckel denkbar.
Die Verstellung wäre allerdings spannend.
Wenn die CDI diese macht geht sie ja dann da von der halben Motordrehzahl aus...
Gruß
Woddel
Ich habe vermutet das dieses im Wesentlichen in der CDI passiert.
Ich weiß auch nicht ob die 250er jeder Umdrehung zünden.
Man kann es wohl annehmen.
Wenn dem so ist wäre doch auch eine Pickup-installation im Kontaktdeckel denkbar.
Die Verstellung wäre allerdings spannend.
Wenn die CDI diese macht geht sie ja dann da von der halben Motordrehzahl aus...
Gruß
Woddel

- Hiha
- 5000+ Club

- Beiträge: 6440
- Registriert: Mo Jun 02, 2003 6:23
- Wohnort: Neubiberg b. München
Re: Zündung der XT 250 in XT500
Die Verstellungsberechnung erfolgt natürlich schon in der CDI, aber anhand der vom Pickup eingehenden Signale. Wenn die "Noppe" auf den Pickup zuläuft, kommt z.B. ein positiver Impuls, wenn er rausläuft ein Negativer.(vielleicht auch andersrum, das müsste man rausmessen) Die CDI (vollanalog!) "weiß" anhand des zeitlichen Abstandes (und vielleicht auch aus der Stärke des Signals) die Motordrehzahl, und bastelt sich aus dieser Information den Zündzeitpunkt.
In die Unterbrecherbox kannst Du ihn nicht setzen, weil die Geschwindigkeit, also der vorbeiflitzende Radius bei dieser Art vom Abnehmer auch noch wichtig ist. Die Drehzahl sowieso.
Und: Sie zündet natürlich bei jeder Umdrehung.
Gruß
Hans
In die Unterbrecherbox kannst Du ihn nicht setzen, weil die Geschwindigkeit, also der vorbeiflitzende Radius bei dieser Art vom Abnehmer auch noch wichtig ist. Die Drehzahl sowieso.
Und: Sie zündet natürlich bei jeder Umdrehung.
Gruß
Hans
- woddel
- XT-Forums-Guru

- Beiträge: 2187
- Registriert: Do Jan 12, 2017 13:30
- Wohnort: Nämberch
Re: Zündung der XT 250 in XT500
So gesehen wird das eher schwierig im Kontaktdeckel. Es sei denn man schafft es mit einer Konstruktion wie die Tschechische im anderen Fred per Lichtschranke ein passendes Signal zu erzeugen. Die Option scheint mir aber viel zu viel gebastel zu sein.
Die andere Option verlangt halt nach einer Bearbeitung des Rotors. Es sei denn die 250er Lima passt. Das glaube ich aber nicht. Ich meine sie ist kleiner.
Die andere Option verlangt halt nach einer Bearbeitung des Rotors. Es sei denn die 250er Lima passt. Das glaube ich aber nicht. Ich meine sie ist kleiner.

- Hiha
- 5000+ Club

- Beiträge: 6440
- Registriert: Mo Jun 02, 2003 6:23
- Wohnort: Neubiberg b. München
Re: Zündung der XT 250 in XT500
Der Konus muss passen, und man muss die Statorplatte unterbringen. Dann ist "kleiner" wurscht.
Und das System auf einen anderen Pickup umzumodeln, zumal auf einen optisch-/magnetischen, auf halber Drehzahl, wird nicht gehen weil man dazu die Innereien der CDI kennen muss. Also, entweder so einbauen wie es ist, oder lieber bleiben lassen.
Gruß
Hans
Und das System auf einen anderen Pickup umzumodeln, zumal auf einen optisch-/magnetischen, auf halber Drehzahl, wird nicht gehen weil man dazu die Innereien der CDI kennen muss. Also, entweder so einbauen wie es ist, oder lieber bleiben lassen.
Gruß
Hans
- woddel
- XT-Forums-Guru

- Beiträge: 2187
- Registriert: Do Jan 12, 2017 13:30
- Wohnort: Nämberch
Re: Zündung der XT 250 in XT500
"einbauen wie es ist" wäre eben fast Plug and Play 
Da wäre dann noch die Zündkurve...
Wobei meine Überlegung war das diese ja an den kleineren Brennraum angepasst sein müsste
und mir mit meiner Doppelzündung glatt entgegenkommen könnte.
Ich habe leider keine zuverlässigen Angaben dazu.
Im Bucheli steht was von 7° bei 1000 U/min bis 40° bei 4000 U/min.
Im Bucheli steht aber z.B. auch das sie ein Trockengewicht von 173kg hat.
Woanders habe ich von 7° bis 32° gelesen.
Vermutlich hilft selber Blitzen - bräuchte aber da erst mal was passendes mit Gradeinteilung.
Da wäre dann noch die Zündkurve...
Wobei meine Überlegung war das diese ja an den kleineren Brennraum angepasst sein müsste
und mir mit meiner Doppelzündung glatt entgegenkommen könnte.
Ich habe leider keine zuverlässigen Angaben dazu.
Im Bucheli steht was von 7° bei 1000 U/min bis 40° bei 4000 U/min.
Im Bucheli steht aber z.B. auch das sie ein Trockengewicht von 173kg hat.
Woanders habe ich von 7° bis 32° gelesen.
Vermutlich hilft selber Blitzen - bräuchte aber da erst mal was passendes mit Gradeinteilung.

- Hiha
- 5000+ Club

- Beiträge: 6440
- Registriert: Mo Jun 02, 2003 6:23
- Wohnort: Neubiberg b. München
Re: Zündung der XT 250 in XT500
Mach Dir da keinen Kopf, die XT500 hat auch keine Kurve, sondern mehr was wie Zweipunkt mit einer kurzen Schräge dazwischen. Die maximale Frühzündung könnte man über die Länge des Blechstreifens aufm Rotor verändern.
Gruß
Hans
Gruß
Hans
- motorang
- Fleißiger Forums-Guru

- Beiträge: 4890
- Registriert: Mo Aug 25, 2003 16:45
- Wohnort: Graz, Österreich
- Kontaktdaten:
Re: Zündung der XT 250 in XT500
Wo ist da was von einer Zündung mit Lichtschranke?So gesehen wird das eher schwierig im Kontaktdeckel. Es sei denn man schafft es mit einer Konstruktion wie die Tschechische im anderen Fred per Lichtschranke ein passendes Signal zu erzeugen. Die Option scheint mir aber viel zu viel gebastel zu sein.
Die andere Option verlangt halt nach einer Bearbeitung des Rotors. Es sei denn die 250er Lima passt. Das glaube ich aber nicht. Ich meine sie ist kleiner.
Gryße!
Andreas, der motorang
Die häufigsten Ursachen für Vergaserprobleme finden sich im Zündungsbereich * Bucheli-Projekt
- woddel
- XT-Forums-Guru

- Beiträge: 2187
- Registriert: Do Jan 12, 2017 13:30
- Wohnort: Nämberch
Re: Zündung der XT 250 in XT500
Ähh - bin beim zweiten Hinsehen nicht mehr so sicher - das hier meinte ich:
https://www.ignitech.cz/en/vyrobky/poin ... ensors.htm
https://www.ignitech.cz/en/vyrobky/poin ... ensors.htm

- motorang
- Fleißiger Forums-Guru

- Beiträge: 4890
- Registriert: Mo Aug 25, 2003 16:45
- Wohnort: Graz, Österreich
- Kontaktdaten:
Re: Zündung der XT 250 in XT500
Hi, nein das funktioniert mit Magnet und Hallksensor. Danke für die Antwort
Gryße!
Andreas, der motorang
Gryße!
Andreas, der motorang
Die häufigsten Ursachen für Vergaserprobleme finden sich im Zündungsbereich * Bucheli-Projekt
- woddel
- XT-Forums-Guru

- Beiträge: 2187
- Registriert: Do Jan 12, 2017 13:30
- Wohnort: Nämberch
Re: Zündung der XT 250 in XT500
So wie es scheint passt der Limaabzieher auch an der 250er.
Vielleicht habe ich ja am Wochenende genug Neugier da mal reinzuschauen
Dann kann ich das Polrad mal auf der Kurbelwelle im Keller "anprobieren"...
Voraussetzung ist das das Polrad nach 38 Jahren drauf sitzen auch ab mag.
Noch ne Frage - die hier so genannte Noppe ist gewöhnlicherweise nur ein Blechstreifen - kein Magnet?
Ist dann im Pickup ein Magnet und der Streifen erzeugt eine Feldveränderung (das wäre dann ein Hallsensor oder?)
oder "holt" er sich magnetisches Potential vom Polrad?
gruß
Woddel
Vielleicht habe ich ja am Wochenende genug Neugier da mal reinzuschauen
Dann kann ich das Polrad mal auf der Kurbelwelle im Keller "anprobieren"...
Voraussetzung ist das das Polrad nach 38 Jahren drauf sitzen auch ab mag.
Noch ne Frage - die hier so genannte Noppe ist gewöhnlicherweise nur ein Blechstreifen - kein Magnet?
Ist dann im Pickup ein Magnet und der Streifen erzeugt eine Feldveränderung (das wäre dann ein Hallsensor oder?)
oder "holt" er sich magnetisches Potential vom Polrad?
gruß
Woddel

Wer ist online?
Mitglieder in diesem Forum: 0 Mitglieder und 1 Gast