Arretierungsschraube (Schlitzschraube) unten am Motor

In diesem Forum soll es um die Reparatur unserer XT gehen
Benutzeravatar
Torben
Wenigposter
Wenigposter
Beiträge: 15
Registriert: Do Feb 15, 2018 9:09
Wohnort: Sörup

Arretierungsschraube (Schlitzschraube) unten am Motor

Beitragvon Torben » Do Feb 16, 2023 19:41

Hallo, ich bin grad am Ölwechsel bei und habe gesehen, dass die Kupferscheibe an oben genannter Schraube fehlt.
Es hat sich auch immer wieder ein Tropfen gebildet nach dem abwischen.
Das Öl ist jetzt komplett raus und da wäre es günstig, diesen Kupferring wieder einzubauen.
Ich denke aber, dass der nicht ohne Grund fehlt :?: .
Kann ich die große Schlitzschraube rausdrehen oder kommt mir direkt Arretierungsfeder und Arretierungskolben entgegen? :D
Über Erfahrungen wäre ich dankbar :)
Dateianhänge
659EC42B-7010-4C6C-A83A-E63C1B2D4E31.gif

Benutzeravatar
rei97
Fleißiger Forums-Guru
Fleißiger Forums-Guru
Beiträge: 4085
Registriert: So Jul 13, 2003 20:14
Wohnort: Denkendorf

Re: Arretierungsschraube (Schlitzschraube) unten am Motor

Beitragvon rei97 » Do Feb 16, 2023 21:08

Also:
An dieser Stelle bleibt eine Papierdichtung meist am Block hängen.
Wenn die fehlt, ist die in einem Dichtsatz vorhanden.
Von einer CU Scheibe ist mir nichts bekannt.
Regards
Rei97

Benutzeravatar
Hiha
5000+ Club
5000+ Club
Beiträge: 6475
Registriert: Mo Jun 02, 2003 6:23
Wohnort: Neubiberg b. München

Re: Arretierungsschraube (Schlitzschraube) unten am Motor

Beitragvon Hiha » Do Feb 16, 2023 21:31

Jo, das ist dicke Dichtungspappe oder sowas wie eine Vulkanfiberscheibe, kein Kupfer.
Gruß
Hans

Benutzeravatar
Torben
Wenigposter
Wenigposter
Beiträge: 15
Registriert: Do Feb 15, 2018 9:09
Wohnort: Sörup

Re: Arretierungsschraube (Schlitzschraube) unten am Motor

Beitragvon Torben » Fr Feb 17, 2023 5:38

Okay, super danke :wink:
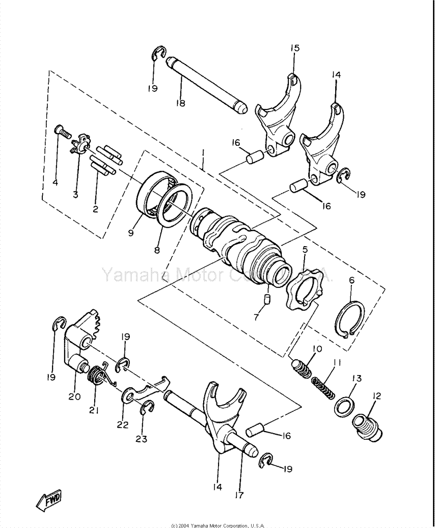
Kann ich die Schraube Nr. 12 rausdrehen , die Feder im Motor halten, Dichtung rauf und wieder eindrehen?
Oder habe ich dann ein Problem? :?:

Benutzeravatar
Frank M
5000+ Club
5000+ Club
Beiträge: 7154
Registriert: So Jun 01, 2003 1:11
Wohnort: Dettum

Re: Arretierungsschraube (Schlitzschraube) unten am Motor

Beitragvon Frank M » Fr Feb 17, 2023 7:00

Feder und Sperrkolben sitzen in der Arretierungsschraube, das kommt alles zusammen raus.

Arretierkolben.jpg

Benutzeravatar
Torben
Wenigposter
Wenigposter
Beiträge: 15
Registriert: Do Feb 15, 2018 9:09
Wohnort: Sörup

Re: Arretierungsschraube (Schlitzschraube) unten am Motor

Beitragvon Torben » Fr Feb 17, 2023 7:15

Ah… g**l Danke.
Das entspannt mich :dance


Zurück zu „Werkstatt“

Wer ist online?

Mitglieder in diesem Forum: 0 Mitglieder und 5 Gäste