Hallo zusammen,
habe neue Schwingenlager (Nadellager) montiert. Passt spielfrei, ausdistanzieren mit Shims scheint nicht notwendig. Jetzt steht aber die Lagerabstandhülse beidseitig ca. 3-4 mm links und rechts über die Lager hinaus.
Zwei Fragen habe ich:
- wegen der Spur und überhaupt ist es doch sicher notwendig, die Schwinge axial zu fixieren? Die Lagerabstandhülse ging zwar stramm durch die Lager, aber ich kann mir nicht vorstellen, dass sie darauf "frei schwebend" sitzt? Muss sie also nach links oder rechts (in Fahrtr.) ausgerichtet werden?
- gibt es da eine (dickere) Distanz-Scheibe?
Sorry, vlt ist das Thema schon behandelt worden; hab auf die Schnelle nix gefunden....
Danke und Gruß
Olaf
Schwinge ausrichten
-
orothe
- Gelegenheitsposter

- Beiträge: 52
- Registriert: Di Okt 28, 2014 5:56
- Mambu
- Fleißiger Forums-Guru

- Beiträge: 2503
- Registriert: So Jun 01, 2003 10:55
- Wohnort: Grießen
Re: Schwinge ausrichten
Hallo Olaf,
...hört sich an, wie wenn Du die Axiallager vergessen hättest...
Wenn alles am Platz ist, gibt's da nichts "frei Schwebendes".
Herzliche Grüße
Mambu
...hört sich an, wie wenn Du die Axiallager vergessen hättest...
Wenn alles am Platz ist, gibt's da nichts "frei Schwebendes".
Herzliche Grüße
Mambu
- Frank M
- 5000+ Club

- Beiträge: 7154
- Registriert: So Jun 01, 2003 1:11
- Wohnort: Dettum
Re: Schwinge ausrichten
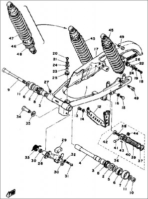
hört sich so an, als wenn bei dir die Axiallager samt Glocken (Teile 2, 5 und 6) beidseitig fehlen.
- motorang
- Fleißiger Forums-Guru

- Beiträge: 4890
- Registriert: Mo Aug 25, 2003 16:45
- Wohnort: Graz, Österreich
- Kontaktdaten:
Re: Schwinge ausrichten
In diesem Set sieht man die Lager:
https://www.kedo.de/link/21008_de.html
Gryße!
Andreas, der motorang
https://www.kedo.de/link/21008_de.html
Gryße!
Andreas, der motorang
Die häufigsten Ursachen für Vergaserprobleme finden sich im Zündungsbereich * Bucheli-Projekt
-
orothe
- Gelegenheitsposter

- Beiträge: 52
- Registriert: Di Okt 28, 2014 5:56
Re: Schwinge ausrichten
Hallo Mambu und Motorang,
danke für eure Antworten. Fehler gefunden: Vergessen hatte ich die Axiallager nicht, aber angenommen, sie würden ZWISCHEN (und nicht AUF) der Abstandshülse und dem Rahmen sitzen. Ich hatte sie in der Glocke liegend montiert - daher vlt der Denkfehler. Heute morgen Glocken abgemacht, Lager rausgeholt und auf die Abstandshülse gesteckt und siehe da: passt...
Danke nochmals und Grüße
Olaf
danke für eure Antworten. Fehler gefunden: Vergessen hatte ich die Axiallager nicht, aber angenommen, sie würden ZWISCHEN (und nicht AUF) der Abstandshülse und dem Rahmen sitzen. Ich hatte sie in der Glocke liegend montiert - daher vlt der Denkfehler. Heute morgen Glocken abgemacht, Lager rausgeholt und auf die Abstandshülse gesteckt und siehe da: passt...
Danke nochmals und Grüße
Olaf
- Mambu
- Fleißiger Forums-Guru

- Beiträge: 2503
- Registriert: So Jun 01, 2003 10:55
- Wohnort: Grießen
Re: Schwinge ausrichten
Hallo Olaf,
Deine Beschreibung hört sich etwas verwirrend an. Die Axiallager liegen in den Abdeckkappen und die Dichtringe dann davor. Sieht man auf der Explosionszeichnung in Franks Beitrag gut. Hier noch ein Foto auf die Schnelle:
Auf der Schwinge sitzt noch die Radialdichtung und eine Distanzscheibe. Wenn man die Axiallager auf die Distanzhülse schiebt, sollten diese bündig abschließen, ansonsten braucht's Distanzscheiben.
Herzliche Grüße
Mambu
Deine Beschreibung hört sich etwas verwirrend an. Die Axiallager liegen in den Abdeckkappen und die Dichtringe dann davor. Sieht man auf der Explosionszeichnung in Franks Beitrag gut. Hier noch ein Foto auf die Schnelle:
Auf der Schwinge sitzt noch die Radialdichtung und eine Distanzscheibe. Wenn man die Axiallager auf die Distanzhülse schiebt, sollten diese bündig abschließen, ansonsten braucht's Distanzscheiben.
Herzliche Grüße
Mambu
-
orothe
- Gelegenheitsposter

- Beiträge: 52
- Registriert: Di Okt 28, 2014 5:56
Re: Schwinge ausrichten
Hallo Mambu,
ja genau so isses jetzt auch, danke. Sorry für die Verwirrung.
Gruss
Olaf
ja genau so isses jetzt auch, danke. Sorry für die Verwirrung.
Gruss
Olaf
Wer ist online?
Mitglieder in diesem Forum: Ahrefs [Bot], Amazon [Bot], Bing [Bot], Google [Bot] und 6 Gäste