Hi,
der globige Buzzetti muss endlich weg. Leider ist die originale Halterung für den Seitenständer weg.
Wer von euch hat einen weisen Vorschlag? Gerne auch Out of the box.
Im Anhang Bilder.
VG
budsbest
Seitenständerhalterung am Rahmen anbringen
-
budsbest
- Wenigposter

- Beiträge: 14
- Registriert: Fr Feb 16, 2018 20:21
Seitenständerhalterung am Rahmen anbringen
Zuletzt geändert von budsbest am Do Mär 26, 2020 19:28, insgesamt 1-mal geändert.
- Mambu
- XT-Forums-Guru

- Beiträge: 2467
- Registriert: So Jun 01, 2003 10:55
- Wohnort: Grießen
Re: Seitenständerhalterung am Rahmen anbringen
...Bilder?
Entsprechendes Blech anbraten...
Da war doch dieser Schlachtrahmen letztens...
Herzliche Grüße
Mambu
Entsprechendes Blech anbraten...
Da war doch dieser Schlachtrahmen letztens...
Herzliche Grüße
Mambu
- Mambu
- XT-Forums-Guru

- Beiträge: 2467
- Registriert: So Jun 01, 2003 10:55
- Wohnort: Grießen
Re: Seitenständerhalterung am Rahmen anbringen
...ahjetztja!
-
AndreasXT600
- Fleißiger Poster

- Beiträge: 413
- Registriert: Di Apr 04, 2017 19:53
Re: Seitenständerhalterung am Rahmen anbringen
Denke auch an einen Rahmen als "Spender". Wobei du da sicher sein kannst, dass das Blech zur Aufnahme etwas Zuwendung braucht.
- Frank M
- 5000+ Club

- Beiträge: 7129
- Registriert: So Jun 01, 2003 1:11
- Wohnort: Dettum
Re: Seitenständerhalterung am Rahmen anbringen
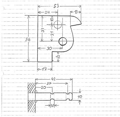
nicht von mir und nicht ganz vollständig, aber immerhin...
- Mr. Polish
- 5000+ Club

- Beiträge: 5820
- Registriert: Mo Jun 02, 2003 15:57
- Wohnort: Grenzach
Re: Seitenständerhalterung am Rahmen anbringen
Ich würde das auch lieber neu machen, wenn eh schon nix vorhanden ist. Ein Spenderteil kann vielleicht als zusätzliche Schablone/Kontrolle dienen...
Gruß, Fabi
Gruß, Fabi
Es ist nicht alles Gold was glänzt;-)
- Mambu
- XT-Forums-Guru

- Beiträge: 2467
- Registriert: So Jun 01, 2003 10:55
- Wohnort: Grießen
Re: Seitenständerhalterung am Rahmen anbringen
...da steht ja dem Neubau der Ständeraufnahme nichts mehr im Wege...
Herzliche Grüße
Mambu
Herzliche Grüße
Mambu
- PeJo
- XT-Forums-Guru

- Beiträge: 1578
- Registriert: So Jun 21, 2009 23:15
- Wohnort: Oberachern
Re: Seitenständerhalterung am Rahmen anbringen
Danke Frank,nicht von mir und nicht ganz vollständig, aber immerhin...
Seitenstaenderhalter.JPG
das ist von mir, hab sogar noch irgendwo den über 25 Jahren alten originalen Zettel rumliegen
... und immer locker durch die Hose atmen! 
Wer ist online?
Mitglieder in diesem Forum: 0 Mitglieder und 1 Gast