HINTERE MOTORAUFHÄNGUNG...
-
rebelbee
- Gelegenheitsposter

- Beiträge: 32
- Registriert: Sa Apr 13, 2019 11:44
HINTERE MOTORAUFHÄNGUNG...
hallo ihr xt-spezialisten
bin ganz neu hier und arg ungeübt...
...und habe eine frage, die die alten hasen hier
sicher in nullkommanix beantworten können.
habe mir ein kleines träumchen erfüllt
und mir ne bastel-xt gekauft.
bin zwar keine schrauberkönigin, dachte aber, wer nicht wagt, der nicht gewinnt...
das moped, das ich da gerade in der mache habe,
ist ein scheunenfund, der mal einem brandanschlag zum opfer fiel. dabei ist vor allem das heck in flammen aufgegangen, schwinge und hinterrad sind verbrannt und der hintere teil des motors schwer angekokelt.
den motor habe ich jetzt machen lassen, aber jetzt fiel mir erst beim einbauversuch auf, dass eine buchse der hinteren motoraufhängung fehlt!
könnte es sein, dass diese buchse irgendwie gummigelagert ist und die lagerung durch den brand geschmolzen ist?
hat wer ne idee, was zu tun ist?
fotos anbei...
für zielgerichtete ratschläge wäre ich sehr dankbar!
liebe grüsse, sabine
bin ganz neu hier und arg ungeübt...
...und habe eine frage, die die alten hasen hier
sicher in nullkommanix beantworten können.
habe mir ein kleines träumchen erfüllt
und mir ne bastel-xt gekauft.
bin zwar keine schrauberkönigin, dachte aber, wer nicht wagt, der nicht gewinnt...
das moped, das ich da gerade in der mache habe,
ist ein scheunenfund, der mal einem brandanschlag zum opfer fiel. dabei ist vor allem das heck in flammen aufgegangen, schwinge und hinterrad sind verbrannt und der hintere teil des motors schwer angekokelt.
den motor habe ich jetzt machen lassen, aber jetzt fiel mir erst beim einbauversuch auf, dass eine buchse der hinteren motoraufhängung fehlt!
könnte es sein, dass diese buchse irgendwie gummigelagert ist und die lagerung durch den brand geschmolzen ist?
hat wer ne idee, was zu tun ist?
fotos anbei...
für zielgerichtete ratschläge wäre ich sehr dankbar!
liebe grüsse, sabine
-
rebelbee
- Gelegenheitsposter

- Beiträge: 32
- Registriert: Sa Apr 13, 2019 11:44
Re: HINTERE MOTORAUFHÄNGUNG...
...bilder hatte ich vergessen...
- Ralle
- XT-Forums-Guru

- Beiträge: 2419
- Registriert: Mo Feb 02, 2004 9:51
- Wohnort: 49393 Lohne
Re: HINTERE MOTORAUFHÄNGUNG...
Hallo Sabine,
Stimmt, da sitzen von beiden Seiten Gummi/Metall Buchsen drin, die könnten wirklich verschmolzen sein
Gruß Ralle
Stimmt, da sitzen von beiden Seiten Gummi/Metall Buchsen drin, die könnten wirklich verschmolzen sein
Gruß Ralle
Einmal XT....immer XT
- Ralle
- XT-Forums-Guru

- Beiträge: 2419
- Registriert: Mo Feb 02, 2004 9:51
- Wohnort: 49393 Lohne
Re: HINTERE MOTORAUFHÄNGUNG...
und da sitzt auch noch eine mit zwei O-Ringen bestückte Hülse zwischen
Einmal XT....immer XT
- Frank M
- 5000+ Club

- Beiträge: 7161
- Registriert: So Jun 01, 2003 1:11
- Wohnort: Dettum
Re: HINTERE MOTORAUFHÄNGUNG...
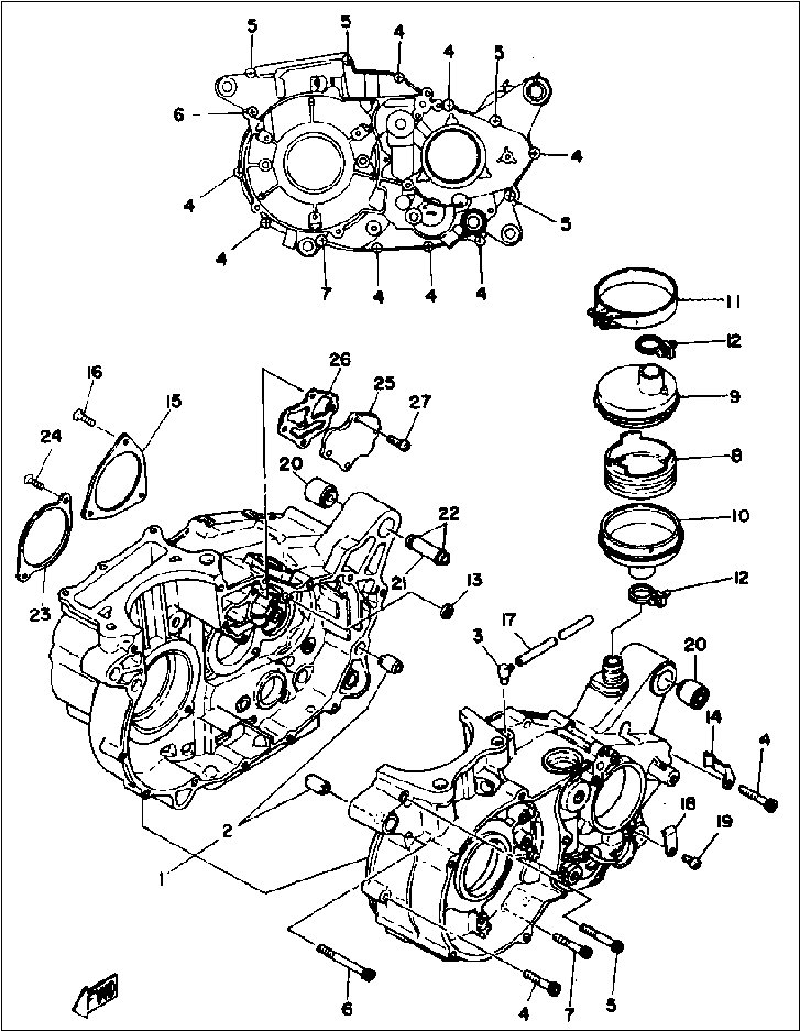
Pos. 20, 583-15316-00, DAMPER, engine mount 1, 2x
Pos. 21, 583-15317-01 SPACER, engine mount 1, 1x
Pos. 22, 93210-12095, O-RING, 2x
Pos. 21, 583-15317-01 SPACER, engine mount 1, 1x
Pos. 22, 93210-12095, O-RING, 2x
-
rebelbee
- Gelegenheitsposter

- Beiträge: 32
- Registriert: Sa Apr 13, 2019 11:44
Re: HINTERE MOTORAUFHÄNGUNG...
okayyyy...
soweit so gut
- vielen dank schon mal für die infos!
weiss jemand, wo ich den kram herbekomme?
soweit so gut
- vielen dank schon mal für die infos!
weiss jemand, wo ich den kram herbekomme?
- benmx
- Gelegenheitsposter

- Beiträge: 98
- Registriert: Fr Mai 12, 2017 9:56
Re: HINTERE MOTORAUFHÄNGUNG...
kedo.de
- Frank M
- 5000+ Club

- Beiträge: 7161
- Registriert: So Jun 01, 2003 1:11
- Wohnort: Dettum
Re: HINTERE MOTORAUFHÄNGUNG...
oder versuchen Gebrauchtteile zu bekommen:
https://www.xt500.org/anzeigen/index.php
https://www.xt500.org/anzeigen/index.php
-
rebelbee
- Gelegenheitsposter

- Beiträge: 32
- Registriert: Sa Apr 13, 2019 11:44
Re: HINTERE MOTORAUFHÄNGUNG...
@benmx: habe bei kedo geschaut, aber nichts gefunden - kannst du mir da nen tipp geben?
@frank m: kannst du mir sagen, wie die dinger auf deutsch heissen, damit ich auch gezielt nach gbrsauchtteilen suchen kann? ich meine, von o-ring abgesehen...
grüsslies**
@frank m: kannst du mir sagen, wie die dinger auf deutsch heissen, damit ich auch gezielt nach gbrsauchtteilen suchen kann? ich meine, von o-ring abgesehen...
grüsslies**
- Frank M
- 5000+ Club

- Beiträge: 7161
- Registriert: So Jun 01, 2003 1:11
- Wohnort: Dettum
Re: HINTERE MOTORAUFHÄNGUNG...
583-15316-00, Motoraufhängung hinten, Silentblock
583-15317-01, Motoraufhängung hinten, Hülse
die Teile können aber auch beliebig anders genannt werden, daher würde ich mich eher an der Teilenummer bzw. dem Einbauort orientieren. Die SR500 mit annähernd gleichem Motorgehäuse hatte diese Dämpferbuchsen übrigens nicht.
Bei KEDO im Katalog konnte ich die Teile auch nicht finden. Wenn es mit Gebrauchtteilen nix wird lohnt sich aber oftmal trotzdem ein Anruf dort, da sie auch viele Dinge besorgen können die nicht gelistet sind.
583-15317-01, Motoraufhängung hinten, Hülse
die Teile können aber auch beliebig anders genannt werden, daher würde ich mich eher an der Teilenummer bzw. dem Einbauort orientieren. Die SR500 mit annähernd gleichem Motorgehäuse hatte diese Dämpferbuchsen übrigens nicht.
Bei KEDO im Katalog konnte ich die Teile auch nicht finden. Wenn es mit Gebrauchtteilen nix wird lohnt sich aber oftmal trotzdem ein Anruf dort, da sie auch viele Dinge besorgen können die nicht gelistet sind.
-
rebelbee
- Gelegenheitsposter

- Beiträge: 32
- Registriert: Sa Apr 13, 2019 11:44
Re: HINTERE MOTORAUFHÄNGUNG...
hey frank
tausend dank, dann rufe ich montag da wohl mal an!
habe gerade versucht, die teile aus nem alten motor rauszubekommen,
aber irgendwie sind die da rein verpresst
und es gibt gar keinen ansatz
- hast du dazu auch ne idee?
grüsse*
tausend dank, dann rufe ich montag da wohl mal an!
habe gerade versucht, die teile aus nem alten motor rauszubekommen,
aber irgendwie sind die da rein verpresst
und es gibt gar keinen ansatz
- hast du dazu auch ne idee?
grüsse*
- rei97
- Fleißiger Forums-Guru

- Beiträge: 4085
- Registriert: So Jul 13, 2003 20:14
- Wohnort: Denkendorf
Re: HINTERE MOTORAUFHÄNGUNG...
Also:
Gewalt.
Die lassen sich raus kloppen.
Regards
Rei97
Gewalt.
Die lassen sich raus kloppen.
Regards
Rei97
-
rebelbee
- Gelegenheitsposter

- Beiträge: 32
- Registriert: Sa Apr 13, 2019 11:44
Re: HINTERE MOTORAUFHÄNGUNG...
hi rei97
und wie mache ich das,
ohne den motor komplett zu schrotten...?
...der motor ist ansonsten nämlich noch okay
wollte jetzt nur mal vorübergehend diese buchse austauschen...
grüsse*sabine
und wie mache ich das,
ohne den motor komplett zu schrotten...?
...der motor ist ansonsten nämlich noch okay
wollte jetzt nur mal vorübergehend diese buchse austauschen...
grüsse*sabine
- XTom
- XTom

- Beiträge: 2542
- Registriert: Do Mai 22, 2003 10:12
- Wohnort: Hamburg
- Kontaktdaten:
Re: HINTERE MOTORAUFHÄNGUNG...
Die Buchsen aus einem geschlossenen Motor auszubauen ist keine gute Idee. Ich denke, die kann man nur gut von innen ausbauen. Von aussen müsste man die eine Buchse ja 1x durch den ganzen Motor kloppen. Nee ... lieber neue/gebrauchte Buchsen kaufen. Dann eine Buchse einpressen, Distanzstück mit den Gummiringen einsetzen und Buchse von der anderen Seite einpressen. Du brauchst 3 Teile: 2 Buchsen und 1 Distanzstück auf dem zwei Gummiringe sitzen. Das sind die, die fast bei jeder Motorrestauration übrig bleiben, weil keine weiß wohin die gehören, oder einfach nicht dran denkt 
KEDO hat viele Teile nicht im Webshop, aber wenn man keinen YAMAHA-Händler zur Hand hat, dann bestellen sie Dir die Teile bei YAMAHA. Dauert dann halt ein wenig ...
Gruß XTom
KEDO hat viele Teile nicht im Webshop, aber wenn man keinen YAMAHA-Händler zur Hand hat, dann bestellen sie Dir die Teile bei YAMAHA. Dauert dann halt ein wenig ...
Gruß XTom
www.xt-500.de
Neue Videos bei YouTube:
2020 Lutz, Mex und XTom fahren La Transat Verte [youtube]https://youtu.be/9p9mkMk3xg0[/youtube]
2024 Motor- und Getriebe-WorkShop bei XTom [youtube]https://youtu.be/MJWWDc74HXg[/youtube]
Neue Videos bei YouTube:
2020 Lutz, Mex und XTom fahren La Transat Verte [youtube]https://youtu.be/9p9mkMk3xg0[/youtube]
2024 Motor- und Getriebe-WorkShop bei XTom [youtube]https://youtu.be/MJWWDc74HXg[/youtube]
-
rebelbee
- Gelegenheitsposter

- Beiträge: 32
- Registriert: Sa Apr 13, 2019 11:44
Re: HINTERE MOTORAUFHÄNGUNG...
@XTom
hey - danke für die auskunft. das dauert im zweifelsfall wahrscheinlich ewig, diese teile zu bekommen...
hälst du es für möglich, sich einfach ne buchse drehen zu lassen und die einzusetzen oder ist diese gummilagerung unbedingt notwendig?
möchte ja auch in naher zukunft mal wieder fahren...
grüsse*sabine
hey - danke für die auskunft. das dauert im zweifelsfall wahrscheinlich ewig, diese teile zu bekommen...
hälst du es für möglich, sich einfach ne buchse drehen zu lassen und die einzusetzen oder ist diese gummilagerung unbedingt notwendig?
möchte ja auch in naher zukunft mal wieder fahren...
grüsse*sabine
Wer ist online?
Mitglieder in diesem Forum: Bing [Bot] und 1 Gast