Guten Tag XT Gemeinde!
ich wende mich mal wieder mit einer Frage an euch:
Nachdem ich meiner großen Liebe einen neuen Kolben gegönnt hatte und gerade mal 1 km gefahren war, musste ich zu meinem Entsetzen ein komisches Geräusch wahrnehmen. ( klang nach einem Klopfen)
Ich bin natürlich nicht mehr weitergefahren und hab mich gleich übers Zerlegen gerichtet.
Anbei findet Ihr die Fotos... was sagt Ihr dazu?
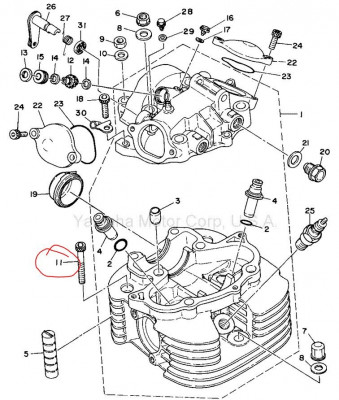
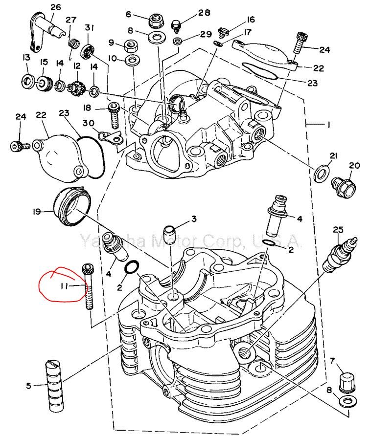
p.s. beim Zerlegen ist mir aufgefallen, dass ich zwei Schraube nicht angezogen hatte. ( nämlich gar nicht angezogen)
im Bild Nr. 11
Besten Dank vorab für eure Einschätzungen
winterliche Grüße
Olivetti
Neuer Kolben.. neues Geräusch?
-
Olivetti
- Fleißiger Poster

- Beiträge: 100
- Registriert: Mi Jun 13, 2012 22:15
- Hiha
- 5000+ Club

- Beiträge: 6476
- Registriert: Mo Jun 02, 2003 6:23
- Wohnort: Neubiberg b. München
Re: Neuer Kolben.. neues Geräusch?
Hei Olivetti,
aus Deinen alten Beiträgen hab ich mir jetzt nicht alles rausgesucht, was Du mit dem Motor gemacht hast.
Dem Foto nach ist die Laufbuchse nicht gebohrt und gehont worden, sondern nur ein neuer(alter?) Kolben reingekommen. Lieg ich da richtig? Die Kratzer in der Zylinderwand sehen nach Strahlsand aus.
Klingt er jetzt besser wie in dem Video von letztem Jahr?
Gruß
Hans
aus Deinen alten Beiträgen hab ich mir jetzt nicht alles rausgesucht, was Du mit dem Motor gemacht hast.
Dem Foto nach ist die Laufbuchse nicht gebohrt und gehont worden, sondern nur ein neuer(alter?) Kolben reingekommen. Lieg ich da richtig? Die Kratzer in der Zylinderwand sehen nach Strahlsand aus.
Klingt er jetzt besser wie in dem Video von letztem Jahr?
Gruß
Hans
-
Olivetti
- Fleißiger Poster

- Beiträge: 100
- Registriert: Mi Jun 13, 2012 22:15
Re: Neuer Kolben.. neues Geräusch?
Hallo Hans,
Du hast Recht, dass war der Motor vor der Revision.
Nun wurde da von mir ein neuer Übermaßkolben samt neu gebohrtem Zylinder verbaut. Sandgestrahlt wurde nicht.
Könnte es sein, dass die neu verbauten Kolbenringe defekt sind?
Sind diese Kratzer normal... denke nicht, oder ?
Du hast Recht, dass war der Motor vor der Revision.
Nun wurde da von mir ein neuer Übermaßkolben samt neu gebohrtem Zylinder verbaut. Sandgestrahlt wurde nicht.
Könnte es sein, dass die neu verbauten Kolbenringe defekt sind?
Sind diese Kratzer normal... denke nicht, oder ?
- Hiha
- 5000+ Club

- Beiträge: 6476
- Registriert: Mo Jun 02, 2003 6:23
- Wohnort: Neubiberg b. München
Re: Neuer Kolben.. neues Geräusch?
Defekt vielleicht nicht, aber hast Du das Ringstoßspiel vor dem Einbau kontrolliert? Hast Du sie richtig herum montiert?
Dass man beim Zusammenbau des Motors mit OP-Saal-Reinlichkeit vorgehen sollte ist Dir bekannt? Die Zylinder kommen vom Schleifer üblicherweise NICHT einbaufertig gereinigt. Man behandle ihn mit Seifenwasser und Bürste, dann solange mit Aceton/Bremsenreiniger und einem hellen sauberen Tuch auswischen, bis nix Schwarzes mehr kommt.
Was hast Du sonst noch am Motor gemacht? Rahmensieb sauber?
Gruß
Hans
Dass man beim Zusammenbau des Motors mit OP-Saal-Reinlichkeit vorgehen sollte ist Dir bekannt? Die Zylinder kommen vom Schleifer üblicherweise NICHT einbaufertig gereinigt. Man behandle ihn mit Seifenwasser und Bürste, dann solange mit Aceton/Bremsenreiniger und einem hellen sauberen Tuch auswischen, bis nix Schwarzes mehr kommt.
Was hast Du sonst noch am Motor gemacht? Rahmensieb sauber?
Gruß
Hans
-
XT-ZRX
- Fleißiger Poster

- Beiträge: 408
- Registriert: So Jan 10, 2021 18:03
Re: Neuer Kolben.. neues Geräusch?
Hast Du den Zylinder und Kolben mal vermessen, ob das Laufspiel stimmt und der Zylinder auch genau gearbeitet ist?
Ich habe vor 30 Jahren nach nem kapitalen Motorschaden einen Vierzylinder auf Übermaß bohren und hohnen lassen, der war unbrauchbar, alle 4 Zylinder. Wenn Du die Spuren mit dem Fingernagel merkst, ist das schlecht.
Ich habe vor 30 Jahren nach nem kapitalen Motorschaden einen Vierzylinder auf Übermaß bohren und hohnen lassen, der war unbrauchbar, alle 4 Zylinder. Wenn Du die Spuren mit dem Fingernagel merkst, ist das schlecht.
-
Olivetti
- Fleißiger Poster

- Beiträge: 100
- Registriert: Mi Jun 13, 2012 22:15
Re: Neuer Kolben.. neues Geräusch?
Hab mich heute entschlossen, den Kolben samt Zylinder zu dem Instandsetzer zu bringen um den Zustand der Teile zu beurteilen….
Er meinte heute am Telefon auch, dass es eine Verunreinigung beim Zusammenbau sein könnte..
Im Öl sollte keine Verunreinigung sein, da ich bei der Montage das Rahmenöl und das Sieb in der Wanne extra gereinigt hatte.
Ich werde euch am Laufenden halten nach dem Termin beim Instandsetzer…..
Olivetti
Er meinte heute am Telefon auch, dass es eine Verunreinigung beim Zusammenbau sein könnte..
Im Öl sollte keine Verunreinigung sein, da ich bei der Montage das Rahmenöl und das Sieb in der Wanne extra gereinigt hatte.
Ich werde euch am Laufenden halten nach dem Termin beim Instandsetzer…..
Olivetti
- Hiha
- 5000+ Club

- Beiträge: 6476
- Registriert: Mo Jun 02, 2003 6:23
- Wohnort: Neubiberg b. München
Re: Neuer Kolben.. neues Geräusch?
Ich weiß jetzt immer noch nicht: Was hattest Du am Motor sonst noch gemacht? War er komplett zerlegt? Wenn ja, war alles in der Spülmaschine? Kennst Du die Notwendigkeit der initialen Beölung nach Zusammenbau?
Gruß
Hans
Gruß
Hans
- rei97
- Fleißiger Forums-Guru

- Beiträge: 4085
- Registriert: So Jul 13, 2003 20:14
- Wohnort: Denkendorf
Re: Neuer Kolben.. neues Geräusch?
Also:
Recht hat der Hans.
Zu meiner Zeit habe ich zig revisionsbedürftigte Motore der XT/SR 500 komplett zerlegt und dann nach Revision der Teile NEU zusammengebaut. Davon weis auch Peter Alt, der mit meinen Motoren erhebliche Reisen unternahm.
Das mache ich mit 70 nicht mehr (wegen meines fast letalen Unfalls mit einem fallenden Motors auf mein rechtes Bein), aber nach 100 Gasern mache ich bis heute noch und auch die funktionieren bis heute problemfrei.
Nur mal so...
Regards
Rei97
Recht hat der Hans.
Zu meiner Zeit habe ich zig revisionsbedürftigte Motore der XT/SR 500 komplett zerlegt und dann nach Revision der Teile NEU zusammengebaut. Davon weis auch Peter Alt, der mit meinen Motoren erhebliche Reisen unternahm.
Das mache ich mit 70 nicht mehr (wegen meines fast letalen Unfalls mit einem fallenden Motors auf mein rechtes Bein), aber nach 100 Gasern mache ich bis heute noch und auch die funktionieren bis heute problemfrei.
Nur mal so...
Regards
Rei97
-
Olivetti
- Fleißiger Poster

- Beiträge: 100
- Registriert: Mi Jun 13, 2012 22:15
Re: Neuer Kolben.. neues Geräusch?
@Hans
ich hab lediglich die Ölpumpe zerlegt, abgedichtet und wieder eingebaut, weiter wurde der Motor nicht zerlegt. Außer eine neue NW, neuen Kipphebeln, schaftdichtungen ,…
Den Beölungszauber hätte ich grundsätzlich vorgenommen.
ich hab lediglich die Ölpumpe zerlegt, abgedichtet und wieder eingebaut, weiter wurde der Motor nicht zerlegt. Außer eine neue NW, neuen Kipphebeln, schaftdichtungen ,…
Den Beölungszauber hätte ich grundsätzlich vorgenommen.
-
Hudriwudri
- Fleißiger Poster

- Beiträge: 320
- Registriert: Mi Apr 30, 2008 22:48
Re: Neuer Kolben.. neues Geräusch?
@olivetti
Das gehört eigentlich schon neu gehont (und net nur wenn ich es richtig verstand nur Kolben tauschen) Plateaufinish schön gemacht (letzter kurzer Durchgang mit um die 400) sauberst geputzt, Laufspiel anschließend gemessen, Kolbenringspalt einmessen, etc.
Und dann sollte es eigentlich vom Zylinder und Kolben keine Schwierigkeiten geben.
Rlg Christian
Das gehört eigentlich schon neu gehont (und net nur wenn ich es richtig verstand nur Kolben tauschen) Plateaufinish schön gemacht (letzter kurzer Durchgang mit um die 400) sauberst geputzt, Laufspiel anschließend gemessen, Kolbenringspalt einmessen, etc.
Und dann sollte es eigentlich vom Zylinder und Kolben keine Schwierigkeiten geben.
Rlg Christian
Ein Tag ohne Wein ist ein Tag wie ohne Bier
-
Olivetti
- Fleißiger Poster

- Beiträge: 100
- Registriert: Mi Jun 13, 2012 22:15
Re: Neuer Kolben.. neues Geräusch?
Hallo Zusammen!
Hab nun den Zylinder vom Motorbauer frisch gehont retour und werde, sobald die neuen Kolbenringe im Briefkasten sind, mit dem Zusammenbau beginnen.
Leider weiß ich immer noch nicht woher dieses seltsame Geräuch kam. Und wenn es doch von diesen nicht angezogenen Schrauben, siehe Bild im ersten Beitrag kam. . Stell mir gerade vor wie die Schrauben so lose im Zylinder an die Kühlrippen schlagen und so das Geräusch erzeugen?
Der Motorbauer meinte: Ölmangel sollte nach so kurzer Laufzeit ( 10 min.) kein Problem sein, auch Temperaturmäßig nicht….
BG
Olivetti
Hab nun den Zylinder vom Motorbauer frisch gehont retour und werde, sobald die neuen Kolbenringe im Briefkasten sind, mit dem Zusammenbau beginnen.
Leider weiß ich immer noch nicht woher dieses seltsame Geräuch kam. Und wenn es doch von diesen nicht angezogenen Schrauben, siehe Bild im ersten Beitrag kam. . Stell mir gerade vor wie die Schrauben so lose im Zylinder an die Kühlrippen schlagen und so das Geräusch erzeugen?
Der Motorbauer meinte: Ölmangel sollte nach so kurzer Laufzeit ( 10 min.) kein Problem sein, auch Temperaturmäßig nicht….
BG
Olivetti
Wer ist online?
Mitglieder in diesem Forum: Amazon [Bot], Bing [Bot], Blade950 und 2 Gäste