Vergaser Frage???

In diesem Forum soll es um die Reparatur unserer XT gehen
Benutzeravatar
looptrooper
Fleißiger Poster
Fleißiger Poster
Beiträge: 133
Registriert: Sa Okt 13, 2007 23:34
Wohnort: Bad Dürrheim

Vergaser Frage???

Beitragvon looptrooper » Sa Jul 28, 2012 17:09

Hallo Leute,

ich hab noch so einen anderen da rumliegen aber weiß nicht was das für einer ist und wie man den korrekt einstellt.
Hab ich eben eingebaut. XT springt nur mit Vollgas kurz an, geht aber wieder aus.
Beim weiteren Kicken und einstellen ist dann das Anschlagblech gebrochen und der Kicker hat blockiert.
Kurzerhand Seitenklappe auf und Bruchstück raus. Naja, das ist ein anderes Bier.

Ich will eigendlcih nur wissen was das für einer ist und ob es da irgendwelche eigenheiten gibt.

Hier ein paar bilder auf der Linken Seite (Fahrtrichtung) steht Mikuni kogyo
Linke Seite:
http://www.bilder-space.de/show_img.php ... e=original
Rechte Seite
http://www.bilder-space.de/show_img.php ... e=original
Unten
http://www.bilder-space.de/show_img.php ... e=original
Oben
http://www.bilder-space.de/show_img.php ... e=original

Danke im voraus.
gruß Frank

No XT500 = No Risk --- No Risk = No Fun

Benutzeravatar
Struppi
XT-Forums-Guru
XT-Forums-Guru
Beiträge: 1383
Registriert: Fr Jun 06, 2003 15:11
Wohnort: Monheim am Rhein

Re: Vergaser Frage???

Beitragvon Struppi » Sa Jul 28, 2012 17:19

Moin Frank,

der Gaser sieht verstärkt nach nem VM34SS aus der SR500 aus. Es gibt mit dem Teil wohl immer mal wieder Probleme mit den Membranen.

Gruss Struppi
Es ist nie zu spät für eine glückliche Kindheit.

Benutzeravatar
looptrooper
Fleißiger Poster
Fleißiger Poster
Beiträge: 133
Registriert: Sa Okt 13, 2007 23:34
Wohnort: Bad Dürrheim

Re: Vergaser Frage???

Beitragvon looptrooper » Sa Jul 28, 2012 17:24

Weiß net. Hab den noch nie verbaut gehabt bis grade eben. Wollt den halt gerne mal testen und wenns geht gebrauchen oder zumindest vernünftig eingestellt in den schrank zurück legen.Sozusagen als Ersatz.
Aber der hat keine Leerlaufregulierschraube oder dergleichen. Weiß nicht wie ich da von aussen einstellungen vornehmen kann.
Der hat angeblich auch ne beschleuniger Pumpe. aber ich kann mir darunter nichts vorstellen und wie das funtionieren soll und wofür das gut sein soll.
gruß Frank

No XT500 = No Risk --- No Risk = No Fun

Benutzeravatar
Struppi
XT-Forums-Guru
XT-Forums-Guru
Beiträge: 1383
Registriert: Fr Jun 06, 2003 15:11
Wohnort: Monheim am Rhein

Re: Vergaser Frage???

Beitragvon Struppi » Sa Jul 28, 2012 18:02

Also die Leerlaufgemischschraube müsste vorne, von unten,mittig sitzen (das Loch scheint bei dir mit ner Schutzkappe verschlossen zu sein) und die Beschleunigerpumpe wird mit der Stange seitlich am Vergaser betätigt (Pumpe ist unten an der Schwimmerkammer)
Es ist nie zu spät für eine glückliche Kindheit.

Benutzeravatar
Frank M
5000+ Club
5000+ Club
Beiträge: 7139
Registriert: So Jun 01, 2003 1:11
Wohnort: Dettum

Re: Vergaser Frage???

Beitragvon Frank M » Sa Jul 28, 2012 18:03

das könnte ein '77-78er US-XT-Vergaser sein. Die hatten auch eine Beschleunigerpumpe.

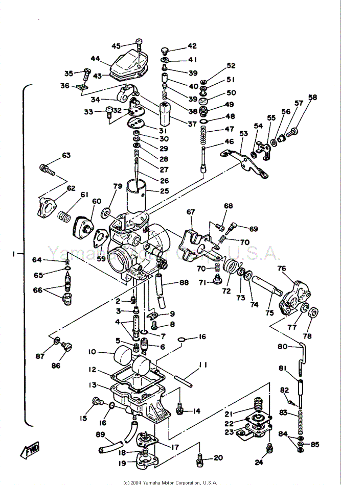
Leerlaufregulierung erfolgt wie bei unseren Vergasern über die gerändelte Anschlagschraube (Pos.nr. 71), die Leerlaufgemischeinstellung unten mittig über die Schraube Pos.nr. 66 (wie beim SR-Vergaser).

Beim ruckartigen Gasaufreißen fällt der für einen Vergaser notwendige Unterdruck an der Nadeldüse zusammen, das Gemisch magert relativ zur Schieberöffnung kurzfristig stark ab und der Motor verschluckt sich. Die funktionierende und richtig eingestellte Beschleunigerpumpe spritzt just in diesem Moment etwas Sprit ein und soll dieses Verschlucken verhindern. Braucht normalerweise kein Mensch - früher oder später werden die Membranen rissig und erzeugen Fehlfunktionen.
Vergaser XT500F - 79 USA.gif

Benutzeravatar
XTtracer
Fleißiger Poster
Fleißiger Poster
Beiträge: 162
Registriert: Mi Sep 03, 2003 18:07
Wohnort: Safnern
Kontaktdaten:

Re: Vergaser Frage???

Beitragvon XTtracer » Sa Jul 28, 2012 19:08

Hallo Frank,

Frank M. hat recht und liegt trotzdem falsch :)

Dein Vergaser ist ein hier in Europa eher seltener 81er US Vergaser, ein VM 32x1, mit einem Durchlass von aber 34mm (!). Die eingestanzte Ziffer "3H6" bezeichnet dieses letzte Modell in den USA. Habe einen gleichen an meiner US CDI 81er ausgebaut und ins Regal gelegt - für mich ein ungeeignetes Teil für unsere Unterbrecher-XT500 hierzulande.

Frank M: die 77er US-Modelle hatten den normalen 32er VM ohne Beschleunigerpumpe drin - wie unsere hier drüben. Von 78 bis 80 hatten die US Modelle einen 32VMSS, also mit Beschleunigerpumpe, drin. Denselben Vergaser wie die SR, aber eben mit 32mm Durchlass und nicht 34mm. Die 76er hatte einen 34mm VM - meiner Meinung nach der beste Vergaser für die XT. Muss aber auch dieselbe Bedüsung und dieselbe Nadel haben, sonst bringt der nix.

Gruss aus der CH
Peter
GOOD FUN RIDING THE BIG 'UN

Benutzeravatar
Frank M
5000+ Club
5000+ Club
Beiträge: 7139
Registriert: So Jun 01, 2003 1:11
Wohnort: Dettum

Re: Vergaser Frage???

Beitragvon Frank M » Sa Jul 28, 2012 19:44

der Peter... :)



Stimmt, '77-'78 ist nicht richtig. 78-80 sagen auch meine Infos zum Einbauzeitraum.

Die TTs hatten den VM34SS auch drin...
Vergaser TT500F - 79.gif

matthse
Fleißiger Poster
Fleißiger Poster
Beiträge: 162
Registriert: Mo Apr 28, 2008 21:30
Wohnort: Brunsbek (nahe Hamburg)

Re: Vergaser Frage???

Beitragvon matthse » Sa Jul 28, 2012 20:49

Hallo Frank,

Frank M. hat recht und liegt trotzdem falsch :)

Dein Vergaser ist ein hier in Europa eher seltener 81er US Vergaser, ein VM 32x1, mit einem Durchlass von aber 34mm (!). Die eingestanzte Ziffer "3H6" bezeichnet dieses letzte Modell in den USA. Habe einen gleichen an meiner US CDI 81er ausgebaut und ins Regal gelegt - für mich ein ungeeignetes Teil für unsere Unterbrecher-XT500 hierzulande.

Frank M: die 77er US-Modelle hatten den normalen 32er VM ohne Beschleunigerpumpe drin - wie unsere hier drüben. Von 78 bis 80 hatten die US Modelle einen 32VMSS, also mit Beschleunigerpumpe, drin. Denselben Vergaser wie die SR, aber eben mit 32mm Durchlass und nicht 34mm. Die 76er hatte einen 34mm VM - meiner Meinung nach der beste Vergaser für die XT. Muss aber auch dieselbe Bedüsung und dieselbe Nadel haben, sonst bringt der nix.

Gruss aus der CH
Peter
Hallo Peter,

es ist bestimmt alles richtig was du sagst, aber das mit der 81 ist falsch! Die 3H6 ist eine 80er US XT. Diese ist die erste US XT mit CDI (6 Volt). Leider habe ich keinen originalen Vergaser für meine :(!

Gruß
Nico

Benutzeravatar
XTtracer
Fleißiger Poster
Fleißiger Poster
Beiträge: 162
Registriert: Mi Sep 03, 2003 18:07
Wohnort: Safnern
Kontaktdaten:

Re: Vergaser Frage???

Beitragvon XTtracer » Sa Jul 28, 2012 21:41

Hallo Nico,

guter Hinweis - falsch gefolgert... :)

Das US 81er Modell hatte auf Rahmen und Motor die Bezeichnung "4R9". Das US 80er Modell korrekt wie Du schreibst "3H6" - auf Rahmen und Motor.

Auf die technischen Anleitung und die US-Prospekte bezogen findet sich beim 81er Modell der Vergaser mit der Bezeichnung "VM32x1" und beim 80er Modell wird der Vergaser mit "VM32SS" bezeichnet. Das muss noch nicht vieles heissen, gibt aber einen Hinweis darauf, dass die Vergaser unterschiedlich sein könnten.

Um das Ganze noch zu verkomplizieren, geh mal in den Parts List des US 81er Modelles nachschauen. Dort findest Du die Teilenummer des Vergasers als "3H6"-14101-00.
Auf meiner garantiert originalen US 81er mit der Motoren und Rahmennummer "4R9" ist nun tatsächlich genau derselbe Vergaser wie bei Frank mit an genau derselben Stelle eingestanzt der Bezeichnung "3H6". Ich weiss, unlogisch, aber s'ist damit klar die Bestätigung der PartsList des 81er US Modelles.

Der langen Rede kurzer Sinn: die 81er "4R9" Modelle hatten einen Vergaser mit der Bezeichnung "3H6" :?

Gemäss Parts List des US 80er Modelles, also Deiner "3H6" ist die Bezeichnung des Vergasers auch "3H6"-14101-00. Also identisch mit derjenigen des 81er Modelles. Dies deutet entgegen dem obigen Hinweis darauf, dass die beiden Vergaser dieselben waren. Was mich komisch dünkt ist, dass trotz der Ziffer "32" in der Bezeichnung, mein garantiert nicht aufgefräster, originaler 81er "3H6" Vergaser saubere 34mm Durchlass hat. Also wie die SR. :? Interessant wäre jetzt zu wissen, was denn als Bezeichnung auf dem Vergaser Deiner 80er US CDI XT draufsteht. Oder ist's gar kein US-Vergaser? Da könnte ich Dir in diesem Fall meinen Originalen überlassen. Ich finde, dass meine US 81er 6Volt CDI mit dem 76er 34mm Vergaser ohne diese unnötige (Frank: völlig einverstanden!) Beschleunigerpumpe schöner und runder läuft. Auch mit Originalkrümmer.

Gruss und viel Spass beim grübeln :)
Peter
GOOD FUN RIDING THE BIG 'UN

matthse
Fleißiger Poster
Fleißiger Poster
Beiträge: 162
Registriert: Mo Apr 28, 2008 21:30
Wohnort: Brunsbek (nahe Hamburg)

Re: Vergaser Frage???

Beitragvon matthse » Sa Jul 28, 2012 23:03

Hallo Nico,

guter Hinweis - falsch gefolgert... :)

Das US 81er Modell hatte auf Rahmen und Motor die Bezeichnung "4R9". Das US 80er Modell korrekt wie Du schreibst "3H6" - auf Rahmen und Motor.

Auf die technischen Anleitung und die US-Prospekte bezogen findet sich beim 81er Modell der Vergaser mit der Bezeichnung "VM32x1" und beim 80er Modell wird der Vergaser mit "VM32SS" bezeichnet. Das muss noch nicht vieles heissen, gibt aber einen Hinweis darauf, dass die Vergaser unterschiedlich sein könnten.

Um das Ganze noch zu verkomplizieren, geh mal in den Parts List des US 81er Modelles nachschauen. Dort findest Du die Teilenummer des Vergasers als "3H6"-14101-00.
Auf meiner garantiert originalen US 81er mit der Motoren und Rahmennummer "4R9" ist nun tatsächlich genau derselbe Vergaser wie bei Frank mit an genau derselben Stelle eingestanzt der Bezeichnung "3H6". Ich weiss, unlogisch, aber s'ist damit klar die Bestätigung der PartsList des 81er US Modelles.

Der langen Rede kurzer Sinn: die 81er "4R9" Modelle hatten einen Vergaser mit der Bezeichnung "3H6" :?

Gemäss Parts List des US 80er Modelles, also Deiner "3H6" ist die Bezeichnung des Vergasers auch "3H6"-14101-00. Also identisch mit derjenigen des 81er Modelles. Dies deutet entgegen dem obigen Hinweis darauf, dass die beiden Vergaser dieselben waren. Was mich komisch dünkt ist, dass trotz der Ziffer "32" in der Bezeichnung, mein garantiert nicht aufgefräster, originaler 81er "3H6" Vergaser saubere 34mm Durchlass hat. Also wie die SR. :? Interessant wäre jetzt zu wissen, was denn als Bezeichnung auf dem Vergaser Deiner 80er US CDI XT draufsteht. Oder ist's gar kein US-Vergaser? Da könnte ich Dir in diesem Fall meinen Originalen überlassen. Ich finde, dass meine US 81er 6Volt CDI mit dem 76er 34mm Vergaser ohne diese unnötige (Frank: völlig einverstanden!) Beschleunigerpumpe schöner und runder läuft. Auch mit Originalkrümmer.

Gruss und viel Spass beim grübeln :)
Peter
Hallo Peter,

meine Vermutung ist, dass sie damals, weil ja schon vorhanden und mit 3H6 bezeichnet einfach den Vergaser der Vorgängerreihe übernommen haben? Warum sollte man auch für einen baugleichen Versager im Nachfolgemodell eine andere Bezeichnung benutzen??

Spricht dafür, dass die Vergaser gleicher Bauart sind und der "3H6er" übernommen wurde? Werde es mal nachgucken, für den Fall, dass ich weitere Beschreibungen finden!

Gruß
Nico

Benutzeravatar
looptrooper
Fleißiger Poster
Fleißiger Poster
Beiträge: 133
Registriert: Sa Okt 13, 2007 23:34
Wohnort: Bad Dürrheim

Re: Vergaser Frage???

Beitragvon looptrooper » So Jul 29, 2012 9:48

Hallo, danke für die Erläuterung.

Fazit: besser wäre es wohl den vergaser wieder auszubauen und den alten (originalen) wieder rein.

Ich probiere jetzt aber noch ein wenig mit ihm rum und schau dann welcher mir mehr zusagt.

Frank M.: Danke für das Microfiche xt500F-79USA. Hättest du evtl. auch die Legende dazu parat, das wär echt super.

Ich geh jetzt mal davon aus, dass die Normal einstellung für die Leerlaufgemischschraube wie auch die 1 3/4 umdrehungen sind, oder?

Danke nochmal für Antworten.
gruß Frank

No XT500 = No Risk --- No Risk = No Fun

Benutzeravatar
Frank M
5000+ Club
5000+ Club
Beiträge: 7139
Registriert: So Jun 01, 2003 1:11
Wohnort: Dettum

Re: Vergaser Frage???

Beitragvon Frank M » Mo Jul 30, 2012 12:52

Frank M.: Danke für das Microfiche xt500F-79USA. Hättest du evtl. auch die Legende dazu parat, das wär echt super.
kannst du dir selber online ansehen -> http://www.starmotorcycles.com/partview ... px?ls=star

Nacheinander Motorcycle/Baujahr/Typ/Bauteil auswählen und schon kannst du stundenlang schmökern und vergleichen...


Zurück zu „Werkstatt“

Wer ist online?

Mitglieder in diesem Forum: Google [Bot] und 1 Gast