Neuer Kabelbaum nach früherem 12-Volt-Umbau
-
biene1909
- Gelegenheitsposter

- Beiträge: 63
- Registriert: Di Sep 29, 2020 19:32
Re: Neuer Kabelbaum nach früherem 12-Volt-Umbau
Danke für die schnelle Rückmeldung. Elektrokenntnisse bin ich Erstklässler und versuche zu übersetzen: Bei laufendem Motor sollte bei beiden Bremsschaltern auf dem braunen Kabel 12Volt dauerhaft messbar sein und beim betätigen des Schalters dann auch auf dem zweiten Kabel. So richtig?
- woddel
- XT-Forums-Guru

- Beiträge: 2259
- Registriert: Do Jan 12, 2017 13:30
- Wohnort: Nämberch
Re: Neuer Kabelbaum nach früherem 12-Volt-Umbau
bei laufendem Motor
Es gibt meines Wissens verschiedene Varianten wie das Licht geschaltet ist:
Variante 1.
Zündschloss
[ Off | On | Park ]
Lenkerschalter
Licht [ Off | Pos | On ]
und [ High | Low ]
Variante 2.
Zündschloss
[ 0 ( Off ) | 1 (On ohne Licht) | 2 (On mit Licht) | 3 (Park) ]
Lenkerschalter
Licht [ Off | On ]
und [ High | Low ]
Der oben verlinkte Plan ist Variante 1.
Du hast anscheinend Variante 2...
Passen denn Kabelbaum und Zündschloss zusammen?
Variante 1 hat am Zündschloss
einen 6er Stecker mit sechs belegten Kontakten
Variante 2 hat am Zündschloss laut meinem Plan hier
einen 6er Stecker mit fünf belegten Kontakten und
einen 4er Stecker mit vier belegten Kontakten
Pos. 1:
Leerlaufkontrollleuchte brennt -> gut
Bremslicht brennt -> Dauerhaft oder bei Betätigung?
Pos. 2:
Licht ON, Fernlicht LO:
Instrumentenbeleuchtung brennt nicht mehr -> wann brannte es denn?
Bremslicht brennt -> Dauerhaft oder bei Betätigung? Prüfen!,
Abblendlicht brennt schwach, wird aber mit zunehmender Drehzahl heller. -> Prinzipiell normal dass es stärker wird
Licht ON und Fernlicht HI:
Fernlicht brennt schwach, wird aber mit höherer Drehzahl heller. -> Prinzipiell normal dass es stärker wird
Pos. 3:
Rücklicht brennt -> wenn Pos. 3 "Park" ist sollten hier Rücklicht und Standlicht leuchten, aber der Motor ausgehen (?)
Es gibt meines Wissens verschiedene Varianten wie das Licht geschaltet ist:
Variante 1.
Zündschloss
[ Off | On | Park ]
Lenkerschalter
Licht [ Off | Pos | On ]
und [ High | Low ]
Variante 2.
Zündschloss
[ 0 ( Off ) | 1 (On ohne Licht) | 2 (On mit Licht) | 3 (Park) ]
Lenkerschalter
Licht [ Off | On ]
und [ High | Low ]
Der oben verlinkte Plan ist Variante 1.
Du hast anscheinend Variante 2...
Passen denn Kabelbaum und Zündschloss zusammen?
Variante 1 hat am Zündschloss
einen 6er Stecker mit sechs belegten Kontakten
Variante 2 hat am Zündschloss laut meinem Plan hier
einen 6er Stecker mit fünf belegten Kontakten und
einen 4er Stecker mit vier belegten Kontakten

- woddel
- XT-Forums-Guru

- Beiträge: 2259
- Registriert: Do Jan 12, 2017 13:30
- Wohnort: Nämberch
Re: Neuer Kabelbaum nach früherem 12-Volt-Umbau
Das Bremslicht läuft über Batterie.Danke für die schnelle Rückmeldung.
Elektrokenntnisse bin ich Erstklässler und versuche zu übersetzen:
Bei laufendem Motor sollte bei beiden Bremsschaltern auf dem braunen Kabel 12Volt dauerhaft messbar sein und beim betätigen des Schalters dann auch auf dem zweiten Kabel. So richtig?
Der Motor muss nicht laufen.
Wenn Zündung an (Pos 1 oder 2) sollte auf Braun 12V dauerhaft messbar sein. (auch woanders im Kabelbaum)
Am anderen Kabel der Bremslichtschalter (normal grün/gelb) sollte erst beim Betätigen der Bremse 12V messbar sein.
Hierzu grün/gelb abziehen und dann dort messen. (also am grün/gelb Kabel des Schalters)
Wenn einer der beiden Schalter dauernd Strom durchlässt leuchtet dein Bremslicht immer.
Der Fußschalter ist einstellbar, der am Handhebel nicht.

- woddel
- XT-Forums-Guru

- Beiträge: 2259
- Registriert: Do Jan 12, 2017 13:30
- Wohnort: Nämberch
Re: Neuer Kabelbaum nach früherem 12-Volt-Umbau
Ich vermute dass deine Kabelei schon weitgehend passt und nur ein Bremslichtschalter hängt. -> der am Fuß ist der Verdächtigere.
Dann wäre als "Anomalie" nur noch eine nicht leuchtende Instrumentenbeleuchtung.
Das Teste doch noch mal wenn deine Bremsschalter getestet/gemacht sind.
Möglich dass die Instrumentenbeleuchtung nur leuchtet wenn der Motor Läuft...
Dann wäre als "Anomalie" nur noch eine nicht leuchtende Instrumentenbeleuchtung.
Das Teste doch noch mal wenn deine Bremsschalter getestet/gemacht sind.
Möglich dass die Instrumentenbeleuchtung nur leuchtet wenn der Motor Läuft...

-
pedal.pat
- Fleißiger Poster

- Beiträge: 137
- Registriert: Sa Jul 06, 2013 17:06
- Wohnort: Neu Isenburg
Re: Neuer Kabelbaum nach früherem 12-Volt-Umbau
Ich hatte ja oben den gute erknnbaren 12 V Plan gepostet , dort ist im prinzip optisch alles nach zu vollziehen wenn man es lesen kann !
Diesen Plan inkl der Brücken der Schaltstellungen nachvollziehen, ist der Kabelbaum genauso, muß man alles gegen isolations Lecks durchmessen...
oer wie Woddl schrieb bauteile checken mit durchmessen.
Diesen Plan inkl der Brücken der Schaltstellungen nachvollziehen, ist der Kabelbaum genauso, muß man alles gegen isolations Lecks durchmessen...
oer wie Woddl schrieb bauteile checken mit durchmessen.
-
biene1909
- Gelegenheitsposter

- Beiträge: 63
- Registriert: Di Sep 29, 2020 19:32
Re: Neuer Kabelbaum nach früherem 12-Volt-Umbau
Instrumentenbeleuchtung brennt nicht mehr -> wann brannte es denn?
Die Instrumentenbeleuchtung brennt mit und ohne Motor bei Zündungsposition 2, Lichtschalter OFF und ohne Motor bei Zündungsposition 3, Lichtschalter OFF!
Bremslicht brennt -> Dauerhaft oder bei Betätigung? Prüfen!, - kein Unterschied bei Hand- oder Fußbremsbetätigung!
Variante 2.
Zündschloss
[ 0 ( Off ) | 1 (On ohne Licht) | 2 (On mit Licht) | 3 (Park) ]
Lenkerschalter
Licht [ Off | On ]
und [ High | Low ]
Ich hab Variante 2, Steckerbelegung muss ich noch nachschauen. Kabelbaum, Zündschalter und linke Lenkerarmatur bei Kedo neu gekauft!
Die Instrumentenbeleuchtung brennt mit und ohne Motor bei Zündungsposition 2, Lichtschalter OFF und ohne Motor bei Zündungsposition 3, Lichtschalter OFF!
Bremslicht brennt -> Dauerhaft oder bei Betätigung? Prüfen!, - kein Unterschied bei Hand- oder Fußbremsbetätigung!
Variante 2.
Zündschloss
[ 0 ( Off ) | 1 (On ohne Licht) | 2 (On mit Licht) | 3 (Park) ]
Lenkerschalter
Licht [ Off | On ]
und [ High | Low ]
Ich hab Variante 2, Steckerbelegung muss ich noch nachschauen. Kabelbaum, Zündschalter und linke Lenkerarmatur bei Kedo neu gekauft!
- woddel
- XT-Forums-Guru

- Beiträge: 2259
- Registriert: Do Jan 12, 2017 13:30
- Wohnort: Nämberch
Re: Neuer Kabelbaum nach früherem 12-Volt-Umbau
Lichtschalter, Zündschloss UND Kabelbaum sind KEDO-Neu. Dann schauen wir da nicht weiter. Das ist dann wohl auch Variante 2. Der obige Schaltplan ist dann nur in Teilen richtig. Deine Beschreibungen machen immer mehr Rätsel als es eigentlich ist. Deine Instrumentenbeleuchtung ist an bei Gebrauch - auch gut.
Ich würde mal sagen dann stell den Fussbremsschalter ein und wenn das funzt, schau dann ob das Rücklicht leuchtet bei pos 2.
Gesendet von iPhone mit Tapatalk
Ich würde mal sagen dann stell den Fussbremsschalter ein und wenn das funzt, schau dann ob das Rücklicht leuchtet bei pos 2.
Gesendet von iPhone mit Tapatalk

-
pedal.pat
- Fleißiger Poster

- Beiträge: 137
- Registriert: Sa Jul 06, 2013 17:06
- Wohnort: Neu Isenburg
Re: Neuer Kabelbaum nach früherem 12-Volt-Umbau
Mich verwirrt das du , so wie ich es verstehe , drei stellungen nach OFF am Zündschloss hast.
[ 0 ( Off ) | 1 (On ohne Licht) | 2 (On mit Licht) | 3 (Park) ] die stellung 2 gibts bei meinem Zündschloss nicht
Wenn dein Bremslicht brennt hast du eine Verbindung die deine Bremslichttaster überbrückt , oder ein Masse problem, oder dein Zündschloss hat einen eigenartige verschaltung siehe fragliche Pos 2
Im schaltplan oben sind die Brücken eingezeichnet die das schloss bei den Stellungen frei gibt, daraus resultiert das bei Park ( 2 ) im plan nur das stand licht ( Nr 19 fälschlich als Kennz leuchte bezeichnet was aber falsch wäre, es müsste Front parklicht sein , ist ja auch im plan beim Hauptlicht positioniert ) und das nr 8 Hecklicht + Kennz leuchte strom bekommen sollte.
Keine Instrumentenbeleuchtung an ! o.ä.
Ich vermute eine Problematische verbindung -> iso fehler etc im Zündschloss, dort trifft über schloss geschalteter Batterie DC + ( Blau + Blau / rt ) und ~AC ( ge / rt ) örtlich zusammen, sollte dort isoliert von einander sein , der ge /rt hätte ja nur dann Spannung wenn der Motor läuft in Stellung ON.
Der ge / rt vom Lichtschalter versorgt lt plan aber auch die Instrumenten beleuchtung mit Spannung ( nur wenn der Motor Läuft ),
In Schlossstellung park ( lt plan ) bekommt aber die Posileuchten vorne + Rücklicht spannung DC von der Batterie, vielleicht ist da am Rüli ein problem mit der Fassung oder Draht vertauschung oder keine Masse, so das sich das übers Bremslicht irgendwo her masse holt z.b instrumenten Bel.oder die stellung 2 an deinem Z schloss macht was anders
[ 0 ( Off ) | 1 (On ohne Licht) | 2 (On mit Licht) | 3 (Park) ] die stellung 2 gibts bei meinem Zündschloss nicht
Wenn dein Bremslicht brennt hast du eine Verbindung die deine Bremslichttaster überbrückt , oder ein Masse problem, oder dein Zündschloss hat einen eigenartige verschaltung siehe fragliche Pos 2
Im schaltplan oben sind die Brücken eingezeichnet die das schloss bei den Stellungen frei gibt, daraus resultiert das bei Park ( 2 ) im plan nur das stand licht ( Nr 19 fälschlich als Kennz leuchte bezeichnet was aber falsch wäre, es müsste Front parklicht sein , ist ja auch im plan beim Hauptlicht positioniert ) und das nr 8 Hecklicht + Kennz leuchte strom bekommen sollte.
Keine Instrumentenbeleuchtung an ! o.ä.
Ich vermute eine Problematische verbindung -> iso fehler etc im Zündschloss, dort trifft über schloss geschalteter Batterie DC + ( Blau + Blau / rt ) und ~AC ( ge / rt ) örtlich zusammen, sollte dort isoliert von einander sein , der ge /rt hätte ja nur dann Spannung wenn der Motor läuft in Stellung ON.
Der ge / rt vom Lichtschalter versorgt lt plan aber auch die Instrumenten beleuchtung mit Spannung ( nur wenn der Motor Läuft ),
In Schlossstellung park ( lt plan ) bekommt aber die Posileuchten vorne + Rücklicht spannung DC von der Batterie, vielleicht ist da am Rüli ein problem mit der Fassung oder Draht vertauschung oder keine Masse, so das sich das übers Bremslicht irgendwo her masse holt z.b instrumenten Bel.oder die stellung 2 an deinem Z schloss macht was anders
Zuletzt geändert von pedal.pat am Do Jul 25, 2024 10:07, insgesamt 1-mal geändert.
- woddel
- XT-Forums-Guru

- Beiträge: 2259
- Registriert: Do Jan 12, 2017 13:30
- Wohnort: Nämberch
Re: Neuer Kabelbaum nach früherem 12-Volt-Umbau
Er hat dieses Zündschloss:
https://www.kedo.de/zuendschloss-replik ... 32999.html
https://www.kedo.de/zuendschloss-replik ... 32999.html

- woddel
- XT-Forums-Guru

- Beiträge: 2259
- Registriert: Do Jan 12, 2017 13:30
- Wohnort: Nämberch
Re: Neuer Kabelbaum nach früherem 12-Volt-Umbau
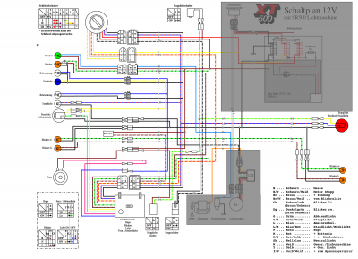
Hier ist ein Schaltplan mit Zündschloss und vier Stellungen.
Das ist zwar ein Umbau auf SR-Lima,
aber die Ecke über die wie reden
(Zündschloss, Lichtschalter und das was dranhängt)
sollte ungefähr so verdrahtet sein.
Hier wird Standlicht am Zündschloss geschaltet, dafür kennt der Lichtschalter nur An/Aus und Hi/Lo
Ich habe das potentiell Umgebaute mal ausgegraut.
Das ist zwar ein Umbau auf SR-Lima,
aber die Ecke über die wie reden
(Zündschloss, Lichtschalter und das was dranhängt)
sollte ungefähr so verdrahtet sein.
Hier wird Standlicht am Zündschloss geschaltet, dafür kennt der Lichtschalter nur An/Aus und Hi/Lo
Ich habe das potentiell Umgebaute mal ausgegraut.
- Dateianhänge
-
- Schaltplan-XT500-79-12Volt-b Kopie.pdf
- (200.47 KiB) 61-mal heruntergeladen

- woddel
- XT-Forums-Guru

- Beiträge: 2259
- Registriert: Do Jan 12, 2017 13:30
- Wohnort: Nämberch
Re: Neuer Kabelbaum nach früherem 12-Volt-Umbau
Ich gehe davon aus das diese Teile verbaut sind:
Das Zündschloss:
https://www.kedo.de/zuendschloss-replik ... 32999.html
Der Lichtschalter dazu:
https://www.kedo.de/replica-lenkerschal ... 40103.html
Der Kabelbaum:
https://www.kedo.de/kedo-replika-kabelb ... 78-18.html
Die drei Teile passen laut Katalog zusammen - da kann man dann nicht viel falsch machen.
Die Beschreibungen von biene1909 lesen sich wenn man dann von einem abweichenden Schaltkonzept ausgeht immer ein bisschen wie Fehlerbeschreibungen - dabei passts größtenteils.
Das Zündschloss:
https://www.kedo.de/zuendschloss-replik ... 32999.html
Der Lichtschalter dazu:
https://www.kedo.de/replica-lenkerschal ... 40103.html
Der Kabelbaum:
https://www.kedo.de/kedo-replika-kabelb ... 78-18.html
Die drei Teile passen laut Katalog zusammen - da kann man dann nicht viel falsch machen.
Die Beschreibungen von biene1909 lesen sich wenn man dann von einem abweichenden Schaltkonzept ausgeht immer ein bisschen wie Fehlerbeschreibungen - dabei passts größtenteils.

-
pedal.pat
- Fleißiger Poster

- Beiträge: 137
- Registriert: Sa Jul 06, 2013 17:06
- Wohnort: Neu Isenburg
Re: Neuer Kabelbaum nach früherem 12-Volt-Umbau
Ich bin immer noch bie Masseproblem ggf am Rüli da das die Möglichkeit hätte über Schlossstellung 2 und den Lichtschalter sich mit dem geschalteten + über andere verbraucher masse zu ziehen,
oder bei woddels Schaltplan Plan besteht noch die möglichkeit sich übers standlicht ein problem zu schaffen, denn alle verbraucher egal ob AC , oder DC ist die gemeinsame Masse, ist hier iregndwo was vertauscht / versteckt etc , das kann eingenartige Auswirkungen haben......
oder bei woddels Schaltplan Plan besteht noch die möglichkeit sich übers standlicht ein problem zu schaffen, denn alle verbraucher egal ob AC , oder DC ist die gemeinsame Masse, ist hier iregndwo was vertauscht / versteckt etc , das kann eingenartige Auswirkungen haben......
-
pedal.pat
- Fleißiger Poster

- Beiträge: 137
- Registriert: Sa Jul 06, 2013 17:06
- Wohnort: Neu Isenburg
Re: Neuer Kabelbaum nach früherem 12-Volt-Umbau
@ woddel hat dein verwendeter Schaltplan dann im Prinzip zwei Licht schaltmöglichkeiten ? , ein mal Schloss stellung 2 , und über den Lichtschalter ?
Denn bei stellung 2 wird ja DC 12 V aufs standlicht gegeben , bei lichtschalter aus , leuchtet meines erachtens die Inst bel mit , schaltet man den Licht schalter auf "an" wird die inst bel auf AC 12 V im schalter umgeschaltet , oder ?
wenn der Motor nicht läuft ist die inst bel dunkel , oder ?
Denn bei stellung 2 wird ja DC 12 V aufs standlicht gegeben , bei lichtschalter aus , leuchtet meines erachtens die Inst bel mit , schaltet man den Licht schalter auf "an" wird die inst bel auf AC 12 V im schalter umgeschaltet , oder ?
wenn der Motor nicht läuft ist die inst bel dunkel , oder ?
- woddel
- XT-Forums-Guru

- Beiträge: 2259
- Registriert: Do Jan 12, 2017 13:30
- Wohnort: Nämberch
Re: Neuer Kabelbaum nach früherem 12-Volt-Umbau
Ich habe auch nur das Schloss mit On|Off|Park
Bei dem mit vier Stellungen ist es wohl so wie du beschreibst.
Pos 0:
Abgesperrt
Pos 1:
Fahren ohne Licht
Pos 2:
Fahren mit Licht
Pos 3:
Abgesperrt, Beleuchtetes Parken
So.
Und jetzt kann Gerhard mal prüfen ob das Verhalten so ist oder ob ich Mist geschrieben habe
Bei dem mit vier Stellungen ist es wohl so wie du beschreibst.
Pos 0:
Abgesperrt
- Zündung aus
- Armaturenbeleuchtung aus
- Stand/Rücklicht aus
- Scheinwerfer aus
- Alles andere aus (Blinker, Bremslicht, Hupe, Leerlauf etc)
Pos 1:
Fahren ohne Licht
- Zündung ein
- Armaturenbeleuchtung aus
- Stand/Rücklicht aus
- Scheinwerfer aus
- Alles andere ein (Blinker, Bremslicht, Hupe, Leerlauf etc)
Pos 2:
Fahren mit Licht
- Zündung ein
- Lichtschalter Off:
- Armaturenbeleuchtung ein - auf Batterie
- Stand/Rücklicht ein - auf Batterie
- Scheinwerfer aus
- Lichtschalter On:
- Armaturenbeleuchtung ein - auf Batterie
- Stand/Rücklicht ein - auf Wechselstrom - also nur wenn Motor läuft
- Scheinwerfer ein - auf Wechselstrom - also nur wenn Motor läuft
- Alles andere ein (Blinker, Bremslicht, Hupe, Leerlauf etc)
Pos 3:
Abgesperrt, Beleuchtetes Parken
- Zündung aus
- Armaturenbeleuchtung aus
- Stand/Rücklicht ein - auf Batterie
- Scheinwerfer aus
- Alles andere aus (Blinker, Bremslicht, Hupe, Leerlauf etc)
So.
Und jetzt kann Gerhard mal prüfen ob das Verhalten so ist oder ob ich Mist geschrieben habe

-
biene1909
- Gelegenheitsposter

- Beiträge: 63
- Registriert: Di Sep 29, 2020 19:32
Re: Neuer Kabelbaum nach früherem 12-Volt-Umbau
Danke woddel, mit der Beschreibung kann ich was anfangen, werd`s gleich mal "am Gerät" durchgehen. Die Stecker hab ich vorsichtshalber auch mal fotografiert.
Der neue Stecker von der linken Lenkerarmatur (Licht, Blinker etc.).
Der alte Stecker zum Vergleich.
Die beiden Stecker vom Zündschloss.
Wer ist online?
Mitglieder in diesem Forum: 0 Mitglieder und 4 Gäste