Auspuff restauration
- Bullrich_Salz
- Fleißiger Poster

- Beiträge: 134
- Registriert: Mo Jan 21, 2019 10:04
- Kontaktdaten:
Re: Auspuff restauration
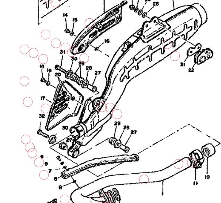
Kann mir jemand sagen, wie die Schrauben 31 und 32 in dieser Explosionszeichnung am Rahmen befestigt werden? Sollte da ein Gewinde im Rahmen sein oder sind da Muttern (mit oder ohne Unterlegscheiben?)?
- woddel
- XT-Forums-Guru

- Beiträge: 2262
- Registriert: Do Jan 12, 2017 13:30
- Wohnort: Nämberch
Re: Auspuff restauration
Das brauchst du so ungefähr:
https://www.kedo.de/dampfer-auspuffhalt ... 47-01.html
https://www.kedo.de/buchse-flammbox-1-s ... 08572.html
https://www.kedo.de/u-scheibe-flammbox- ... stuck.html
https://www.kedo.de/u-scheibe-1-stuck.html
Gesendet von iPhone mit Tapatalk
https://www.kedo.de/dampfer-auspuffhalt ... 47-01.html
https://www.kedo.de/buchse-flammbox-1-s ... 08572.html
https://www.kedo.de/u-scheibe-flammbox- ... stuck.html
https://www.kedo.de/u-scheibe-1-stuck.html
Gesendet von iPhone mit Tapatalk

- Bullrich_Salz
- Fleißiger Poster

- Beiträge: 134
- Registriert: Mo Jan 21, 2019 10:04
- Kontaktdaten:
Re: Auspuff restauration
Ja, das ist schon klar. Aber wie wird die Schraube am Rahmen befestigt?Das brauchst du so ungefähr:
https://www.kedo.de/dampfer-auspuffhalt ... 47-01.html
https://www.kedo.de/buchse-flammbox-1-s ... 08572.html
https://www.kedo.de/u-scheibe-flammbox- ... stuck.html
https://www.kedo.de/u-scheibe-1-stuck.html
Gesendet von iPhone mit Tapatalk
- woddel
- XT-Forums-Guru

- Beiträge: 2262
- Registriert: Do Jan 12, 2017 13:30
- Wohnort: Nämberch
- woddel
- XT-Forums-Guru

- Beiträge: 2262
- Registriert: Do Jan 12, 2017 13:30
- Wohnort: Nämberch
Re: Auspuff restauration
Die fehlt auf der Zeichnung.Ne Mutter drauf…
Gesendet von iPhone mit Tapatalk
Dies Gummipenöpel klemmen in den Ösen am Rahmen je von außen und innen.
Gesendet von iPhone mit Tapatalk

- Bullrich_Salz
- Fleißiger Poster

- Beiträge: 134
- Registriert: Mo Jan 21, 2019 10:04
- Kontaktdaten:
Re: Auspuff restauration
Weißt du zufällig, ob unter die Mutter noch Unterlegscheiben oder Federringe kommen?
Noch eine Frage: Das Teil auf dem Bild mit der Nummer 8, 16, und 20 hat die OEM-Nr. 3WX147660000
Was ist das für ein Teil? Kann leider keine Bilder finden.
Noch eine Frage: Das Teil auf dem Bild mit der Nummer 8, 16, und 20 hat die OEM-Nr. 3WX147660000
Was ist das für ein Teil? Kann leider keine Bilder finden.
Zuletzt geändert von Bullrich_Salz am So Aug 25, 2024 21:35, insgesamt 1-mal geändert.
- woddel
- XT-Forums-Guru

- Beiträge: 2262
- Registriert: Do Jan 12, 2017 13:30
- Wohnort: Nämberch
Re: Auspuff restauration
So genau weiß ich das nicht. Aber ein Scheibchen hinten kann sicher nicht schaden.
Gesendet von iPhone mit Tapatalk
Gesendet von iPhone mit Tapatalk

- woddel
- XT-Forums-Guru

- Beiträge: 2262
- Registriert: Do Jan 12, 2017 13:30
- Wohnort: Nämberch
- woddel
- XT-Forums-Guru

- Beiträge: 2262
- Registriert: Do Jan 12, 2017 13:30
- Wohnort: Nämberch
Re: Auspuff restauration
An der Stelle habe ich Edelstählernes.So genau weiß ich das nicht. Aber ein Scheibchen hinten kann sicher nicht schaden.
Gesendet von iPhone mit Tapatalk
Da sammelt sich Dreck und Wasser bei reichlich Wärme.
Gesendet von iPhone mit Tapatalk

- Mambu
- Fleißiger Forums-Guru

- Beiträge: 2509
- Registriert: So Jun 01, 2003 10:55
- Wohnort: Grießen
Re: Auspuff restauration
Die Mutter der "31" ist am Auspufftopf, die von "32" am Rahmen.
Die Scheibchen 8, 16, 20 sind Isolierscheiben.
Federscheiben sind übrigens unnütz.
Herzliche Grüße
Mambu
Die Scheibchen 8, 16, 20 sind Isolierscheiben.
Federscheiben sind übrigens unnütz.
Herzliche Grüße
Mambu
- woddel
- XT-Forums-Guru

- Beiträge: 2262
- Registriert: Do Jan 12, 2017 13:30
- Wohnort: Nämberch
Re: Auspuff restauration
Jetzt wo es mambu schreibt bin ich ganz ruhig und widme mich wieder meinem Corona…
Gesendet von iPhone mit Tapatalk
Gesendet von iPhone mit Tapatalk

- Mambu
- Fleißiger Forums-Guru

- Beiträge: 2509
- Registriert: So Jun 01, 2003 10:55
- Wohnort: Grießen
Re: Auspuff restauration
...ui, dann gute Besserung!!!
Herzliche Grüße
Mambu
Herzliche Grüße
Mambu
- XTFRO
- XT-Forums-Guru

- Beiträge: 1280
- Registriert: Do Sep 18, 2014 12:46
- Wohnort: Rüsselsheim am Main
Re: Auspuff restauration
Dem schließe ich mich doch gleich mal an: Wünsche ebenfalls möglichst baldige und möglichst vollständige Besserung!!!
- hopec
- Wenigposter

- Beiträge: 19
- Registriert: Mo Okt 02, 2006 11:08
- Wohnort: Düsseldorf
Re: Auspuff restauration
Hallo zusammen, ich habe auch einen alten XT Auspuff. Möchten den jetzt Strahlen lassen und lackieren. Jedoch ist der Auspuff auch von innen gerostet - es fallen Rostteile heraus. Lohnt sich das? LG
XT 500 | Bj. 1986
-
Martin M
- Fleißiger Poster

- Beiträge: 206
- Registriert: Do Jan 02, 2014 7:19
Re: Auspuff restauration
Ein nicht zu kleiner Teil des Aufpuffrosts kommt von innen, jedenfalls in Zeiten schwefelhaltigen Sprits. Mittlerweile fehlt der Schwefel, aber der Auspuff ist leider innen stark korrodiert. Der Aufwand, das korrekt instand zu setzen, ist recht groß.
Ich habe in einen Edelstahlauspuff von Peppmöller investiert.
Ich habe in einen Edelstahlauspuff von Peppmöller investiert.
Wer ist online?
Mitglieder in diesem Forum: Ahrefs [Bot], Bing [Bot] und 2 Gäste