hätte da wiedermal eine Frage:
Nachdem der Vergaser im Ultraschallbad gereinigt wurde und mit neuen Teilen (Rebuilt-Set) bestückt wurde, ist mir nun folgendes aufgefallen.
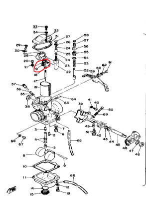
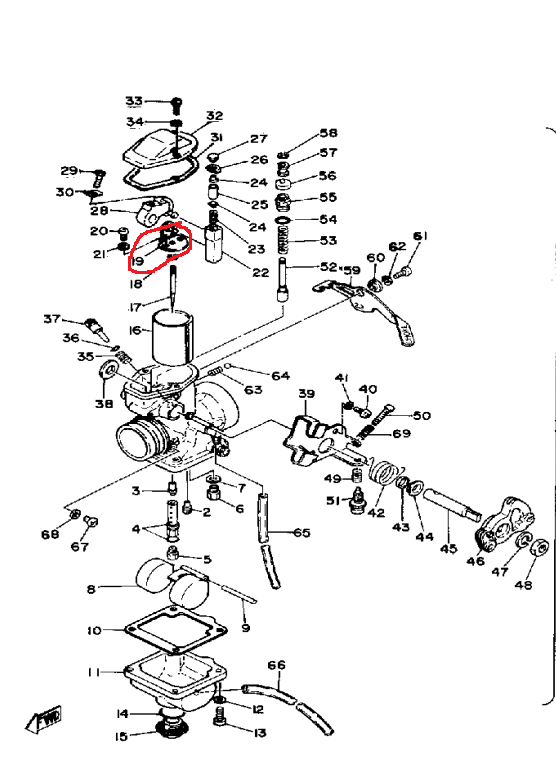
Die neue Nadel (4 Positon von oben) wird, wenn ich die Platte (siehe SKizze mit rot gekennzeichnet) mit den zwei Schrauben festziehe, sehr unbeweglich, sprich sie sitzt nicht locker sondern leicht schräg und steht mit dem oben Ende sogar an dem Hebel an.
Hoffe, es ist verständlich geschrieben
Ist da normal?
Da ich die alte Nadel schon entsorgt habe, kann ich es nicht mehr gegenchecken.
Danke vorab für eure Tipps oder Lösungen.
BG
Olivetti

